Analog Devices Inc. Gestionnaires de système d’alimentation PmBus™ à 4 canaux LTC2975
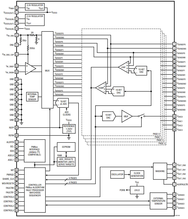
Les gestionnaires de système d’alimentation (PSM) PmBus™ à 4 canaux LTC2975 Analog Devices Inc. sont conçus pour séquencer, régler (servomoteur), marger, superviser, gérer les défaillances, fournir une télémétrie et créer des journaux d’erreurs. Ces PSM numériques avec un jeu de commande compatible PMBus prennent en charge le séquençage de l’alimentation, le réglage précis de la tension au point de charge et la marge. Les réponses aux défaillances programmables peuvent désactiver les sources d’alimentation avec une nouvelle tentative optionnelle une fois qu’une erreur a été détectée. Les défaillances qui désactivent les alimentations peuvent déclencher automatiquement le stockage EEPROM de la boîte noire de l’état des défaillances et de la télémétrie associée. Les PSM LTC2975 disposent d’un convertisseur analogique-numérique (CAN) interne de 16 bits qui surveille quatre tensions de sortie, quatre courants de sortie, quatre températures externes, la tension d’entrée, le courant d’entrée et la température de la puce. Les applications standard incluent les ordinateurs, les serveurs réseau, les tests/mesures industriels, l’imagerie vidéo/médicale et les systèmes à haute fiabilité.Caractéristiques
- Séquence, ajustement, marge et supervision de 4 alimentations électriques
- Gérer les défaillances, surveiller la télémétrie et créer des journaux d’erreurs
- Coordonner le séquençage et la gestion des défaillances sur plusieurs dispositifs PSM LTC
- Ensemble de commandes conformes PMBus
- Pris en charge par l’interface graphique LTpowerPlay®
- Enregistrement automatique des défaillances sur EEPROM interne
- Fonctionnement autonome sans logiciel supplémentaire
- Approvisionnement de marge ou de réduction dans la limite de 0,25 % de la cible
- Surveiller le courant d’entrée (±1 %) et accumuler de l’énergie
- Superviseurs rapides OV/UV et OC par canal
- Superviseurs de température externe et de tension d'entrée
- Surveillance précise des 4 tensions de sortie, 4 courants de sortie, 4 températures externes, 4 tensions d’entrée, courant d’entrée et température interne de la puce
- Interface série I2C/SMBus
- Peut être alimenté de 3,3 V ou 4,5 V à 15 V
- Brochage compatible avec LTC2974
- Disponible en boîtier QFN à 64 fils de 9 mm × 9 mm
Applications
- Ordinateurs et serveurs réseau
- Appareils de mesure et d'essai industriels
- Vidéo et imagerie médicale
- Systèmes de haute fiabilité
Circuit d'application standard
Schéma fonctionnel
Ressources supplémentaires
Gestion du système d'alimentation FPGA
Les FPGA se propagent dans tous les types de systèmes électroniques, au point même de remplacer la tâche des ASIC, mais ils sont synonymes de système d'alimentation compliqué. Analog Devices dispose d'une large gamme de produits DPSM pour aider à gérer cette complexité.
Détection de courant avec gestionnaires de système d’alimentation numérique PmBus — Partie 1
Publié le: 2020-02-25
| Mis à jour le: 2025-03-25
