Analog Devices Inc. Pilote LED élévateur synchrone LT8386
Le pilote LED élévateur synchrone LT8386 d'Analog Devices est un convertisseur CC-CC élévateur monolithique qui utilise un contrôle de la fréquence fixe et du courant de crête. Le composant fournit une atténuation PWM pour une chaîne de LED. Le courant de la LED est programmé par une tension analogique ou des impulsions numériques sur la broche CTRL. Le LT8386 maintiendra une régulation du courant de 2 % à travers une résistance de détection externe sur une large plage de tensions de sortie.Le LT8386 dispose d'une technologie Silent Switcher® conçue pour minimiser les émissions EMI/EMC avec un haut rendement. La fréquence de commutation est programmable de 200 kHz à 2 MHz par une résistance externe sur la broche RT ou une horloge externe appliquée sur la broche SYNC/SPRD. Avec la modulation de fréquence à spectre étalé optionnelle activée, la fréquence varie de 100 % à 125 % pour réduire les EMI.
Le LT8386 d'Analog Devices comprend un pilote pour un PMOS côté haut externe pour l'atténuation PWM. Le LT8386 60 V est compatible broche-à-broche avec les LT3922 et LT3922-1.
Caractéristiques
- Régulation de courant LED 2 %
- Régulation de tension de sortie de 2,5 %
- Atténuation PWM 50 000:1 à 100 Hz
- Atténuation PWM interne 512:1
- Modulation de fréquence à spectre étendu
- Architecture Silent Switcher pour EMI ultra-faible
- Fonctionne en mode boost, buck et buck-boost
- Plage de tension d'entrée de 4 V à 56 V
- Tension de chaîne de LED jusqu'à 52 V
- Limite de courant de crête adaptative jusqu'à 5 A pour une faible VIN
- 200 kHz à 2 MHz avec fonction de synchronisation
- Contrôle de courant LED analogique ou à rapport cyclique
- Protection LED ouverte/court-circuit et indication de défaillance
- Petit boîtier LQFN à 28 fils de 4 mm × 5 mm
- Certifié AEC-Q100 pour les applications automobiles
Applications
- Éclairage automobile et industriel
- Affichage tête haute (HOUD)/vision industrielle
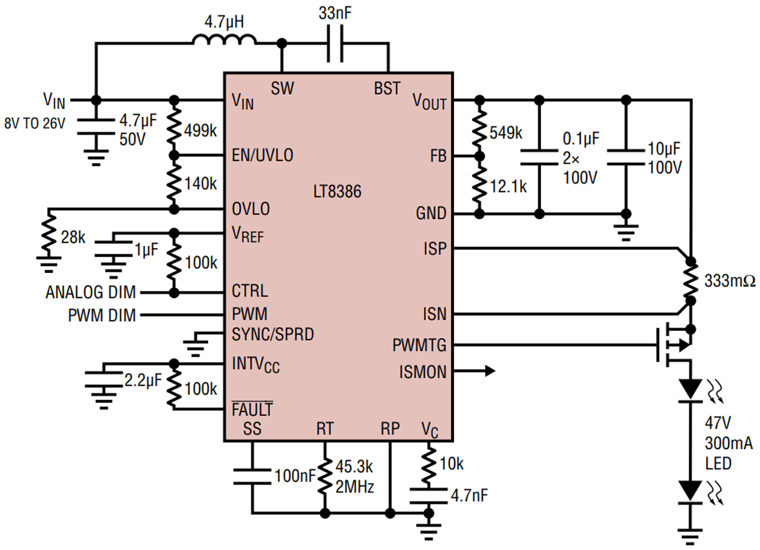
Application standard
Publié le: 2021-07-09
| Mis à jour le: 2022-03-11
