Analog Devices Inc. Contrôleurs Buck-Boost synchrones à 4 commutateurs LT8292
Les contrôleurs Buck-Boost synchrones à 4 commutateurs LT8292 d'Analog Devices Inc. régulent le courant d'entrée ou de sortie à partir d'une tension d'entrée inférieure, supérieure ou égale à la tension de sortie. Ces contrôleurs incluent une architecture propriétaire en mode courant de crête Buck-Boost qui permet un fonctionnement à fréquence fixe réglable et verrouillable en phase de 100 kHz à 650 kHz. L'architecture en mode courant de crête permet également un fonctionnement à spectre étalé interne pour un faible brouillage électromagnétique (EMI). Les contrôleurs LT8292 sont dotés de commandes de grilles pull-up/pull-down séparées, d'un partage de courant sans leader et de quatre réglages de temps mort sélectionnables avec protection contre les surintensités. Ces contrôleurs sont qualifiés pour l'automobile et sont utilisés dans les systèmes de télécommunications, les systèmes alimentés par batterie haute puissance et les alimentations électriques Buck-Boost à usage général.Caractéristiques
- L'architecture à inductance unique et à 4 commutateurs permet une VIN supérieure, inférieure ou égale à VOUT
- Mode courant de crête Buck-Boost exclusif
- Mode rafale à faible ondulation IQ de 30 µA
- Précision de la tension de sortie de ±2 % 1 V≤VOUT≤60 V
- Réglable de 100 kHz à 650 kHz et verrouillable en phase
- Fonctionnement en mode continu forcé ou par saut d’impulsion
- Précision du courant moyen d'entrée ou de sortie de ±5 %
- Sorties de commande de grille séparées
- Réglages sélectionnables du temps mort
- Partage de courant sans leader
- Modulation de fréquence à spectre étendu
- Diodes d'amorçage intégrées
- VOUT déconnecté de VIN lors de l'arrêt
- Boîtier à petit contour rétractable mince (TSSOP) à 38 fils avec plaquette exposée
- Qualifié automobile
Applications
- Systèmes automobiles, industriels et de télécommunications
- Alimentations électriques Buck-Boost à usage général
- Systèmes alimentés par batterie haute puissance
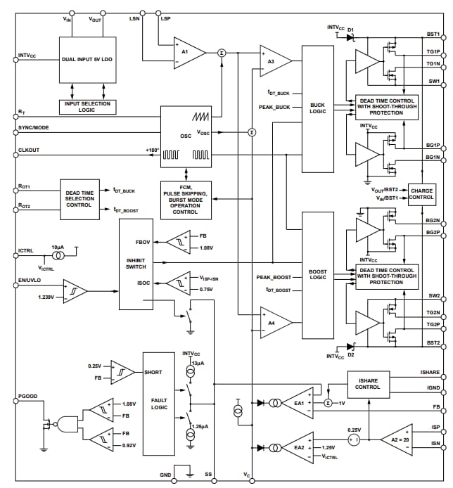
Schéma fonctionnel
Schéma du circuit d'application standard
Publié le: 2025-01-28
| Mis à jour le: 2025-03-12
