Analog Devices Inc. Contrôleurs buck-boost bidirectionnels LT8228
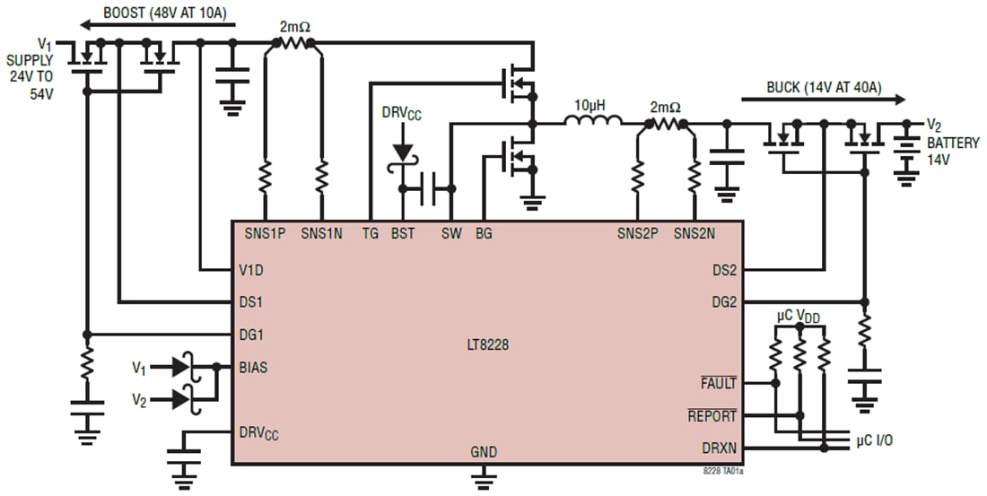
Le contrôleur buck/boost bidirectionnel LT8228 d'Analog Devices est un contrôleur buck ou boost synchrone à courant constant ou tension constante de 100 V doté d’un réseau de compensation indépendant. La direction du flux d'alimentation est automatiquement déterminée par le LT8228 ou contrôlée en externe. Les MOSFET de protection d’entrée et de sortie protègent contre les tensions négatives, contrôlent les courants d’appel et fournissent une isolation entre les bornes en cas de défauts tels que les courts-circuits des MOSFET de commutation. En mode buck, les MOSFET de protection à la borne V1 évitent le courant inverse. En mode boost, les mêmes MOSFET régulent le courant d’appel de sortie et se protègent avec un disjoncteur à minuteur réglable.Le LT8228 offre une limite de courant d’entrée et de sortie bidirectionnelle, ainsi qu’une surveillance indépendante du courant. Le partage de courant tolérant aux défauts « sans maître » permet d’ajouter ou de soustraire n’importe quel LT8228 en parallèle tout en maintenant la précision du partage du courant. Les diagnostics et rapports de défauts internes et externes sont disponibles via les pins FAULT et REPORT. Le LT8228 est disponible en boîtier TSSOP à 38 fils.
Caractéristiques
- Régulation de courant ou de tension bidirectionnelle.
- Protection de courant inverse bidirectionnelle.
- Protection de tension négative d’entrée et de sortie jusqu’à -60 V.
- Limite de courant d’appel bidirectionnelle et protection contre les courts-circuits de sortie boost.
- Détection et protection contre les courts-circuits MOSFET de commutation.
- Pilote de grille de 10 V.
- Large plage de tension d’entrée et de sortie jusqu’à 100 V.
- Tolérance de tension de rétroaction : ±1,0 % au dessus de la température.
- Régulation et surveillance de courant programmable bidirectionnel.
- Auto-test complet, diagnostic et signalement des défauts.
- Fréquence de commutation programmable fixe ou synchronisable de 80 à 600 kHz.
- Démarrage progressif et limitation de courant dynamique programmables.
- Partage de courant « sans maître » tolérant aux défauts.
Applications
- Systèmes automobiles et industriels à double batterie.
- Sauvegarde du système à haute puissance et stabilisation d’alimentation.
- Alimentations électriques à haute fiabilité et redondantes « N +1 ».
- Système de protection contre les coupures de courant.
Vidéos
Application standard
Publié le: 2019-11-26
| Mis à jour le: 2025-02-17
