Analog Devices Inc. Contrôleurs à pont complet/demi-pont double LT8204
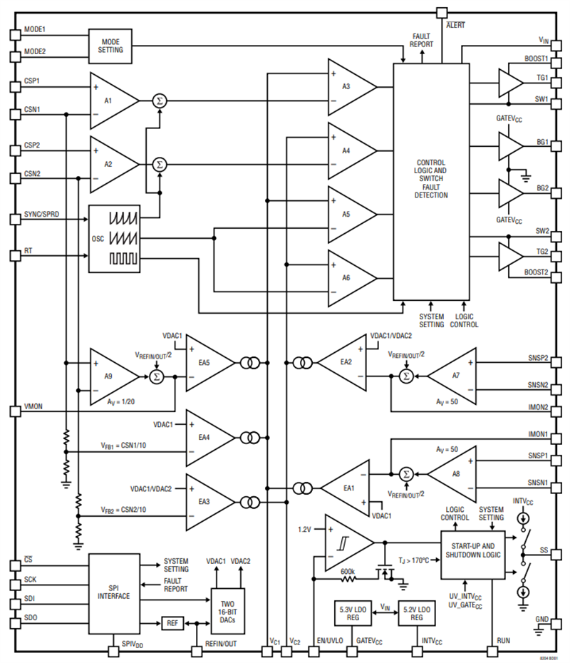
Les contrôleurs à pont complet/demi-pont double LT8204 d'Analog Devices Inc. peuvent être configurés comme un contrôleur à pont complet à quatre commutateurs ou des contrôleurs à demi-pont double commutateur pour réguler la tension de sortie ou le courant de sortie. Le LT8204 fournit deux méthodes de contrôle PWM sélectionnables (c.-à-d. contrôle du mode courant de crête et contrôle du mode tension) pour faciliter la compensation de la fréquence de boucle pour les applications avec différents types de charge (charges inductives, résistives ou capacitives).Le LT8204 dispose de doubles moniteurs de courant de charge de précision rail-à-rail (200 μV VOS) bidirectionnels, de moniteurs de tension de sortie et de doubles convertisseurs numérique-analogique (CNA) monotones 16 bits sur puce. Avec l’interface périphérique série (SPI), le courant ou la tension de sortie peut être programmé précisément à la volée. Le LT8204 d’Analog Devices surveille également l’état de fonctionnement du système et signale via l’interface SPI en cas de défaillance (par exemple, perte de charge, défaillance des composants MOSFET externes).
Caractéristiques
- Pont complet ou demi-pont double
- Doubles moniteurs de courant de précision rail-à-rail, bidirectionnels (200 μV VOS)
- Doubles CNA monotones 16 bits sur puce
- SPI 4 fils avec détection et correction d’erreur
- Pilotes de grille MOSFET 5,3 V à canal N quadruple
- Régulation de tension ou de courant de sortie configurable
- Méthodes de contrôle MLI configurables pour la stabilité de la boucle
- Fréquence de commutation fixe avec spectre synchronisé et étalé
- Surveillance du système et rapport de défaillance via une interface SPI
- Boîtier TSSOP plastique à 38 fils
- Conforme à la directive RoHS
Applications
- Régulation de charge inductive et solénoïde
- Contrôle d’amortissement actif ou semi-actif
- Commande de refroidisseur thermoélectrique (TEC)
- Contrôle des vibrations
Caractéristiques techniques
- Plage d’entrée 5,5 V à 40 V
- Plage de fréquence de commutation fixe de 100 kHz à 1 MHz
- Courant de repos maximal 10 mA (sans commutation), 5 mA standard
- Courant de veille standard 500 µA
- Courant d’arrêt maximal 2 µA, 1 µA standard
- Plage de température de fonctionnement de jonction de -40 °C à +150 °C
Application standard
Schéma fonctionnel
Publié le: 2023-08-25
| Mis à jour le: 2023-08-30
