Analog Devices Inc. LT6376 Voltage Difference Amplifiers
Analog Devices Inc. LT6376 Voltage Difference Amplifiers have a gain of 10 difference amplifiers that combine DC precision, high-input common mode range, and wide supply voltage range. These amplifiers include a precision op-amp with Over-The-Top® protected inputs that allow robust operation in environments with unpredictable conditions. The LT6376 amplifiers feature good Common Mode Rejection Ratio (CMRR), low gain error, highly-matched thin film resistor, and low gain drift. Typical applications include high-side or low side current sensing, precision difference amplifiers, a replacement for isolation circuits, and high-voltage to low-voltage translation.Features
- ±230V common mode voltage range
- 90dB minimum CMRR
- 0.0075% (75ppm) maximum gain error
- 200µV maximum input offset voltage
- 1ppm/°C maximum gain error drift
- 2ppm maximum gain non-linearity
- 3.3V to 50V wide supply voltage range
- -40°C to +125°C specified temperature-range
- Rail-to-Rail output
- 350µA supply current
- Selectable internal resistor divider ratio
- 105nV/√Hz input referred noise (resistor divider = 3.1)
- 300kHz and -3dB bandwidth (resistor divider = 3.1)
- 160kHz and -3dB bandwidth (resistor divider = 10.3)
- 20μA low power shutdown (DFN package only)
- Space-saving MSOP and DFN packages
Applications
- Precision difference amplifier
- Bidirectional wide common mode range current sensing
- High side or low side current sensing
- Replacement for isolation circuits
- High voltage to low voltage level translation
Typical Application Circuit
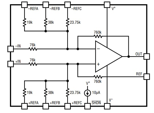
Block Diagram
Publié le: 2018-10-04
| Mis à jour le: 2023-03-02
