Analog Devices Inc. Amplificateurs d'Instrumentation LT6372-0.2/1
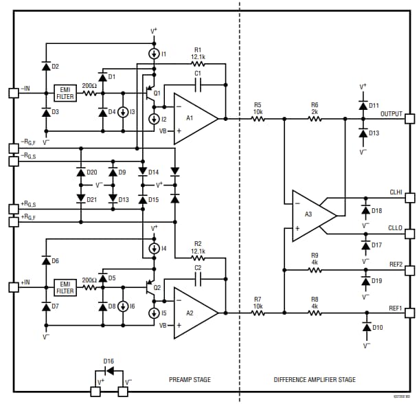
Les amplificateurs d'instrumentation LT6372-0.2/1 d'Analog Devices Inc. sont des dispositifs de fonçage à gain programmable et de haute précision avec décalage de niveau et blocage de sortie. Ces amplificateurs de haute précision permettent de détecter des signaux plus petits et de faciliter l'étalonnage, en particulier en cas de surchauffe. Les amplificateurs LT6372-0.2/1 intègrent des caractéristiques dans le LT6370 qui améliorent davantage la précision et simplifient l'interface avec un CAN. Ces amplificateurs d'instrumentation utilisent un processus bipolaire haute performance propriétaire qui permet une précision à la pointe de l'industrie associée à une stabilité exceptionnelle à long terme. Les amplificateurs LT6372-0.2/1 sont réglés au laser pour une très faible tension de décalage en entrée (60 µV) et un CMRR élevé (80 dB, G=0,2).Les amplificateurs d'instrumentation LT6372-0.2/1 disposent d'un filtre RFI d'entrée intégré, de brides de sortie et d'un décalage de niveau de sortie. Ces broches de limitation de sortie limitent la tension pouvant être appliquée à l'entrée d'un CAN. Le filtrage EMI est intégré aux entrées LT6372-0.2/1 pour maintenir la précision en présence d'interférences RF sévères.
Les amplificateurs d'instrumentation LT6372-0.2/1 sont disponibles en boîtiers compact MS16E et QFN 20 broches de 3 mm × 4 mm. Ces amplificateurs d'instrumentation sont entièrement spécifiés sur les plages de température de -40 °C à + 85 °C et de -40 °C à + 125 °C. Les applications standards incluent l'amplificateur de pont, l'acquisition de données, l'amplificateur thermocouple, l'amplificateur de jauge de contrainte, l'instrumentation médicale et les interfaces de transducteur.
Caractéristiques
- Résistance à gain unique G=0,2 à >200
- Excellente précision CC :
- Tension de décalage d'entrée maximale 60 μV
- Dérive de tension de décalage d'entrée maximale 0,6 μV/°C
- Erreur de gain faible de 0,012 % maximum (G=0,2)
- Faible dérive de gain 35 ppm/°C maximum (G>0,2)
- Haut taux de rejet en mode commun CC (CMRR) 80 dB minimum (G=0,2)
- Pinces de sortie intégrées
- Décalage de niveau de sortie intégré
- Courant de polarisation d'entrée maximal 800 pA
- Bande passante 4 MHz -3 dB (G=0,2)
- Faible bruit :
- Bruit de 0,1 Hz à 10 Hz : 0,2 μVP-P
- Bruit de tension 1 kHz : 7 nV/√Hz
- Filtre RFI (interférence par radiofréquence) intégré
- Large plage d'alimentation de 4,75 V à 35 V
- Plages de température de -40 °C à +85 °C et de -40 °C à +125 °C
- Boîtiers MS16E et QFN 20 broches 3 mm x 4 mm
Applications
- Amplificateur de pont
- Acquisition de données
- Amplificateur thermocouple
- Amplificateur de jauge de contrainte
- Instrumentation médicale
- Interfaces de transducteur
- Conversion différentielle vers asymétrique
Schéma de principe
Circuit d'application
