Analog Devices Inc. VCO quadribande à faible bruit HMC8362/HMC8364
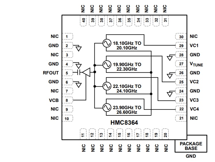
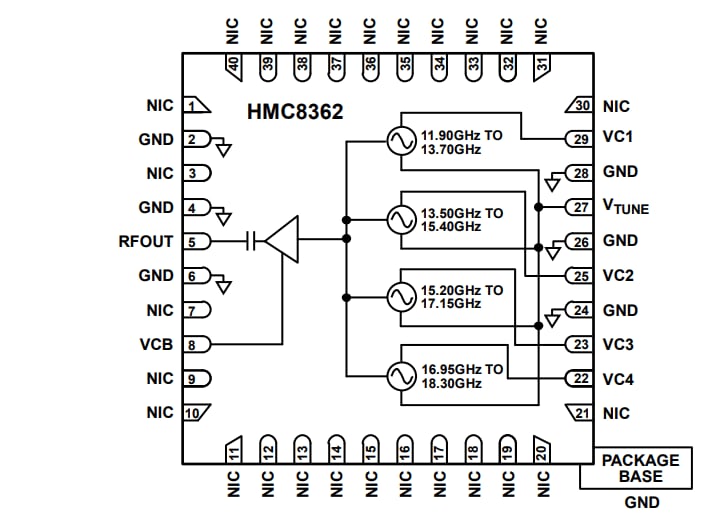
Les oscillateurs à tension contrôlée (VCO) quadribande à faible bruit HMC8362/HMC8364 d'Analog Devices Inc. sont conçus pour offrir des capacités à large bande sans compromettre les performances de bruit de phase. Les VCO HMC8362/HMC8364 intègrent quatre VCO à bande étroite indépendants avec des bandes de fréquence qui se chevauchent, fonctionnant sur une gamme de fréquences fondamentales de 11,90 GHz à 18,30 GHz (HMC8362) ou 18,10 GHz à 26,60 GHz (HMC8364). La sensibilité de réglage constante sur toutes les bandes de fréquence simplifie la conception du filtre de boucle du synthétiseur.Le port de réglage est commun à tous les noyaux VCO pour une conception plus simple du chemin de rétroaction de boucle à verrouillage de phase (BVP). Le HMC8364 offre également une faible consommation de courant standard de 99 mA pour les applications sensibles à la puissance. En comparaison, le HMC8362 fournit une faible consommation de courant standard de 72 mA pour les applications sensibles à la puissance.
Les VCO HMC8362/HMC8364 d'ADI intègrent des résonateurs, des dispositifs de résistance négative et des diodes varactor. La structure monolithique de l'oscillateur permet un bruit de phase très faible, une stabilité de température optimale et est immunisée contre les vibrations et les variations de processus.
Les VCO HMC836x sont conditionnés dans un seul boîtier LFCSP à montage en surface de 6 mm × 6 mm et ne nécessitent aucun composant externe correspondant.
Caractéristiques
- Ensemble de 4 VCO à bande étroite avec sensibilité constante par rapport à la fréquence
- Ports de réglage et RF communs à l'ensemble des 4 VCO
- La sortie RF fonctionne à partir d'oscillateurs fondamentaux sans oscillations sous-harmoniques
- Puissance de sortie RF jusqu'à 4 dBm
- Capacité de coupure de l'alimentation
- Aucun résonateur externe requis
- LFCSP 40 broches, 6 mm × 6 mm
Applications
- Test et mesures électroniques
- Instrumentation industrielle et médicale
- Radios point à point et multipoint
- Aérospatiale et défense
- Infrastructure de communication sans fil
Ressources supplémentaires
Schéma fonctionnel HMC8362
Schéma fonctionnel HMC8364
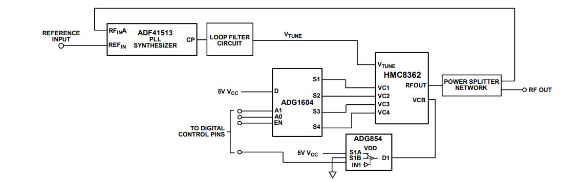
Schéma d'application standard
