Analog Devices Inc. VCO MMIC quadribande 8,3 GHz - 15,2 GHz HMC8074
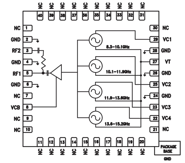
Le VCO MMIC quadribande 8,3 GHz - 15,2 GHz HMC8074 d'Analog Devices Inc. intègre des résonateurs, des dispositifs de résistance négative et des diodes varactor tout en offrant deux broches de sortie RF. Le VCO HMC8074 dispose de performances de bruit de phase qui fournissent une excellente surchauffe, un excellent choc et un excellent processus en raison de la structure monolithique de l'oscillateur.Le VCO MMIC quadruple bande HMC8074 d'ADI prend en charge une alimentation de +4,75 V et une puissance de sortie qui est généralement de -5 dBm à +6 dBm pour chaque sortie RF, respectivement.
L'oscillateur à tension contrôlée est logé dans un boîtier QFN sans fil de 6 x 6 mm à montage en surface et ne nécessite aucun composant externe correspondant.
Caractéristiques
- Sortie double
- RF1 = -5 dBm à +6 dBm
- RF2 = -15 dBm à -4 dBm
- Quatre VCO indépendants avec ports de réglage et RF communs
- Aucun résonateur externe nécessaire
- Boîtier CMS 36 mm2 40 fils 6 x 6 mm
Applications
- VCO MMIC QUADBAND à faible bruit pour :
- Équipement de test et contrôles industriels
- Radio VSAT
- Radio point à point/à diffusion multipoint
- Utilisation finale militaire
Ressources supplémentaires
Schéma fonctionnel
Bruit de phase SSB par rapport à la tension de réglage
Publié le: 2021-09-17
| Mis à jour le: 2022-03-11
