Analog Devices Inc. Outil de laboratoire EVAL-LTPA-KIT
L'outil de laboratoire Analog Devices Inc. EVAL-LTPA-KIT ou le kit LTpowerAnalyzer est utilisé pour évaluer et caractériser les conceptions d'alimentations. Cet outil permet de mesurer la réponse de boucle, la réponse transitoire et l’impédance de sortie. L’outil EVAL-LTPA-KIT s’associe aux capacités du module d’apprentissage ADALM2000 pour offrir une grande portabilité. Cet outil se compose de variantes de sondes de courant de 1 A, 10 A, 50 A et 100 A pour les mesures transitoires. Le kit EVAL-LTPA outil comprend une carte de base, des cartes interposeur, une carte démo LT8642A et des prises de connecteur. Ce LTpowerAnalyzer est idéal pour les applications d’instrumentation de laboratoire.Caractéristiques
- Conçu pour l'instrumentation de laboratoire
- Mesure la réponse en boucle de gain, la réponse transitoire et l'impédance de sortie
- Offre une grande portabilité
- Dispositif alimenté par USB
- Compatible avec le module ADALM2000
- Livré avec des interfaces conviviales et une documentation pour le matériel et le logiciel, permettant une évaluation facile des conceptions d’alimentation électrique
- Chaque sonde de courant peut être utilisée comme une charge CC d'une puissance maximale de 8 W dans l'air immobile
Contenu du kit
- Carte de base EVAL-LTPA-KIT
- Carte de démo LT8642A
- Cartes interposeurse
- Carte interface A
- Cartes interface B (5 pièces)
- Carte interface C
- Prises de connecteur (2 pièces)
- Câble nappe à 16 broches de 2 po
- Câble nappe à 14 broches de 8 po
- Sondes de courant
- Sonde de courant de 1 A
- Sonde de courant de 10 A
- Sonde de courant de 50 A
- Sonde de courant de 100 A
Vidéos
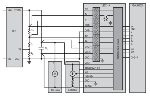
Schéma fonctionnel
Publié le: 2025-01-29
| Mis à jour le: 2025-12-03
