Analog Devices Inc. Carte d'évaluation EVAL-LTC7892-BZ
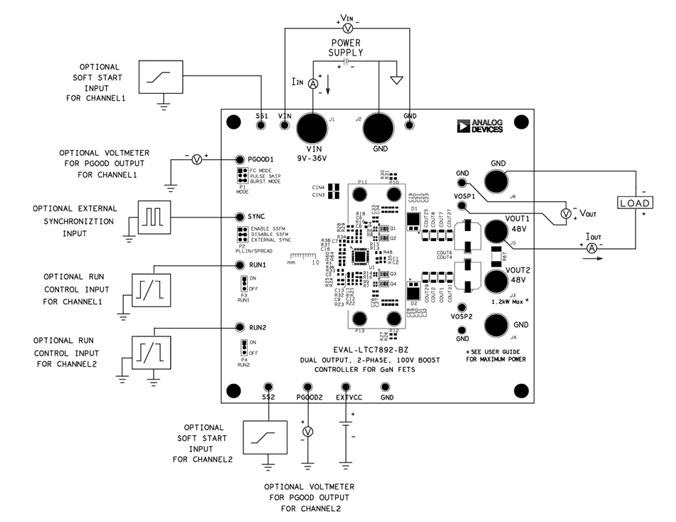
La carte d’évaluation EVAL-LTC7892-BZ d'Analog Devices est conçue pour démontrer le contrôleur FET GaN LTC7892. Le LTC7892 est optimisé avec des FET GaN 100 V pour une plage d’entrée opérationnelle de 9 V à 36 V à 500 kHz. La carte d’évaluation EVAL-LTC7892-BZ est spécifiquement développée pour piloter les FET GaN en toute sécurité et de manière efficace jusqu’à des niveaux de puissance de 1,4 kW via des commutateurs d'amorçage optimisés en interne et un contrôle temporel adaptatif. De plus, le CI présente un faible QI, une fréquence de commutation programmable/synchronisable jusqu’à 3 MHz, un spectre étalé et un petit boîtier QFN à 40 fils (6 mm x 6 mm) à flancs mouillables.La carte d’évaluation EVAL-LTC7892-BZ d’ADI fournit une solution performante et économique pour obtenir une sortie de 48 V et peut facilement être modifiée pour réguler les tensions de sortie de 1,2 V à 90 V.
Caractéristiques
- Technologie d'entraînement GaN entièrement optimisée pour les FET GaN
- Tension de sortie jusqu’à 100 V
- Plage VIN large de 4 V à 60 V et fonctionne jusqu’à 1 V après le démarrage
- Aucun loquet, serre-câbles ou diodes d'amorçage n’est nécessaire
- Les commutateurs d’amorçage intelligents internes empêchent la surcharge des alimentations du pilote côté haut
- Temps morts de la résistance réglables
- Faible IQ de fonctionnement de 15 μA
- Commandes de grilles de sortie divisés pour des forces de pilote d’activation et de désactivation réglables
- Tension de pilote réglable précise et UVLO
- Fréquence programmable (de 100 kHz à 3 MHz)
- Fréquence synchronisable (de 100 kHz à 3 MHz)
- Modulation de fréquence à spectre étendu
- Boîtier QFN, flancs mouillables latéraux, à 40 fils (6 mm x 6 mm)
- Homologué AEC-Q100 pour les applications automobiles
Applications
- Systèmes d’alimentation automobile et industriels
- Avionique militaire et systèmes médicaux
- Systèmes d'alimentation de télécommunications
Ressource
Connexions de carte
Topologie
Publié le: 2025-01-29
| Mis à jour le: 2025-03-11
