Analog Devices Inc. EVAL-KW4501Z carte de démonstration KWIK à bruit intégré
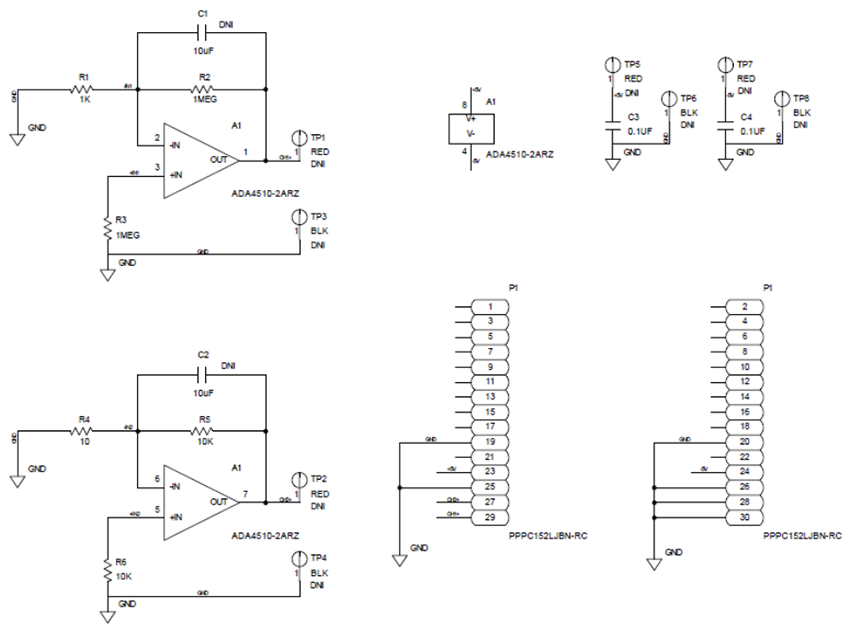
La carte de démonstration EVAL-KW4501Z à bruit intégré KWIK d’Analog Devices Inc. évalue et différencie le bruit intégré d’un amplificateur opérationnel à 2 canaux. Le jeton analogique dispositifs EVAL-KW4501Z est une carte complémentaire au module de formation en laboratoire et en cours magistraux KWIK Integrated Noise. Cette carte fait partie de la famille KWIK Demo Board, une série de cartes d'évaluations pédagogiques et démonstratives qui peuvent être directement branchées sur l'ADALM2000, un instrument de test et de mesure portable défini par logiciel et alimenté par USB.Le ADA4510-2 le présenté et IC >>> CI (context: Integrated Circuit) présenté EVAL-KW4501Zsont des tension à double canal, haute précision, faible décalage, faible bruit, rail à rail et sortie amplificateur opérationnel sortie L’amplificateur opérationnel dispose d’une large plage de fonctionnement en tension d’alimentation de 6 V à 40 V et peut être alimenté par les alimentations intégrées ±5 V de l’ADALM2000. L’EVAL-KW4501Z utilise la version SOIC à 8 broches de l’ADA4510-2 et peut accueillir d’autres circuits intégrés ayant le même boîtier et la même configuration de broches.
Caractéristiques
- Permet une mesure rapide du bruit intégré de l'amplificateur opérationnel
- Peut accueillir d’autres amplificateurs opérationnels double canal au format SOIC à 8 broches, avec une configuration de broches similaire à celle du composant testé (DUT)
- La fonction plug-and-play facilite la connexion à l'ADALM2000 pour exécuter rapidement des tests et des mesures dans Scopy (logiciel compagnon de l'ADALM2000)
Applications
- Mesure et analyse du bruit
- Systèmes audio
- les systèmes de communication sans fil
- Instrumentation médicale
- Traitement du signal
- Systèmes d'alimentation électrique et de régulation de tension
- Tests et développement de semi-conducteurs
- Électronique grand public
- Équipements industriels de haute précision
Équipement nécessaire
- Module d'apprentissage actif ADALM2000
- Câble USB-A vers micro-USB
- Ordinateurs
Présentation générale
Configuration du circuit de chaque canal
Schéma
Publié le: 2025-02-20
| Mis à jour le: 2025-02-25
