Analog Devices Inc. Instrument de vibration IEPE quadruple canal USB 3.0
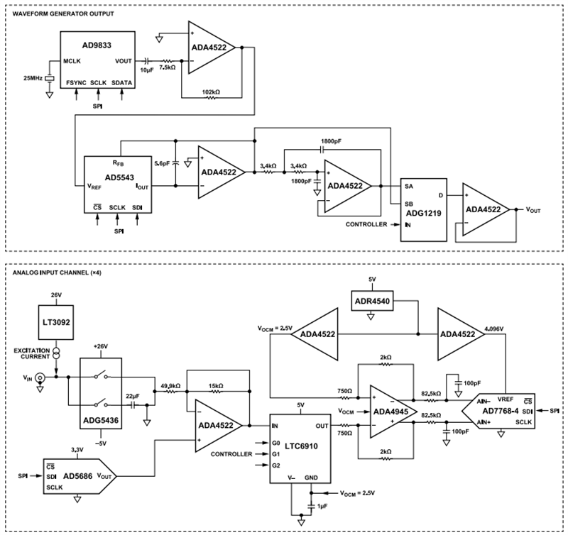
La carte système d'instrument de vibration IEPE quadricanal USB 3.0 EVAL-CN0582-USBZ d'Analog Devices Inc. lit les données à partir d'entrées analogiques (IEPE). Les entrées analogiques IEPE peuvent contenir des commutateurs de source de courant pour les capteurs nécessitant une alimentation externe et un paramètre de tension de décalage de canal individuel. Outre la lecture de données de capteur, la carte peut fournir une amplitude variable et un signal sinusoïdal de fréquence à un trembleur de vibration externe comme un stimulus. Cette capacité permet à la carte de fournir un signal à un troubleur externe et de mesurer les données à partir d'un capteur monté, formant une boucle de rétroaction fermée.Caractéristiques
- Pour l'évaluation du CN0582
- Acquisition simultanée de données à 4 canaux
- Excitation IEPE embarquée
- Générateur de signal
- Balayage à une seule tonalité ou linéaire
- Test de boucle de retour électronique
- Excitation de table vibrante
- Logiciel d'évaluation CN0582
- Configuration du système
- Affichage graphique
- Exportation de fichier (acquisition de données, test de vibration)
- Décalage de canal d'entrée IEPE
Caractéristiques techniques
- Entrée analogique
- IEPE
- De 0,1 mV à 10 V pleine échelle
- Polarisation maximale de 13 VCC
- Source de courant standard de 4 mA
- 4 mA à 20 mA (CH3)
- Résistance de 249 Ω
- Puissance de 0,25 W
- THD + N standard de -87 dB ( -84 dB maximum), 3,3 Vp-p à 1 kHz
- SNR standard de 99 dB, 10 Vp-p de 20 Hz à 20 kHz
- Précision d’erreur de 1 % (quand > 100 mV)
- IEPE
- Spécifications d'alimentation électrique
- Plage d'entrée de 4,5 V à 6 V, 5 V standard
- Plage de courant d'entrée de 500 mA à 600 mA
Vidéos
Schéma de principe du système
Ressources supplémentaires
Publié le: 2022-12-05
| Mis à jour le: 2024-01-04
