Analog Devices Inc. Système d'acquisition de données (DAQ) EVAL-CN0561-ARDZ
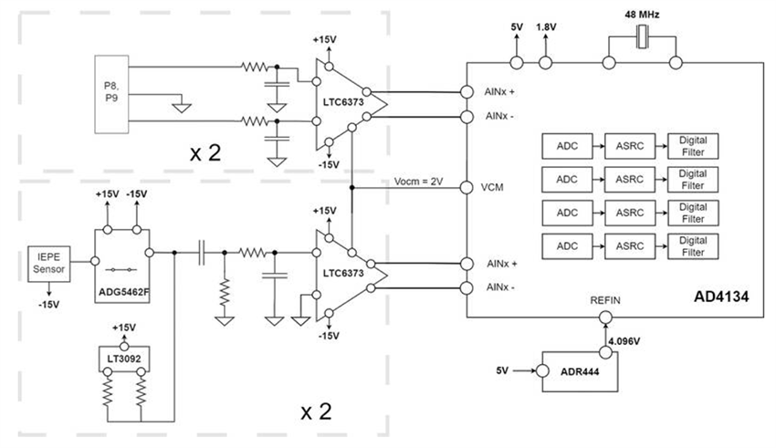
Le système d'acquisition de données (DAQ) EVAL-CN0561-ARDZ d'Analog Devices est un système à quatre canaux, 24 bits, sans repliement, à haute performance, conçu pour l'interface avec des capteurs piézoélectriques électroniques intégrés (IEPE). Construit autour du CAN de précision AD4134, ce système offre une large bande passante et une grande portée dynamique, idéal pour les applications de détection de vibration et de surveillance conditionnelle. Le EVAL-CN0561-ARDZ d'Analog Devices prend en charge les mesures couplées CA de CC à 390 kHz, ce qui permet une analyse détaillée du domaine de fréquence pour la détection de défauts et la maintenance prédictive. La carte intègre des composants clés tels que l'amplificateur à gain programmable LTC6373 et la référence de tension ADR444, et comprend un circuit de protection robuste contre les défauts. Compatible avec les connecteurs Arduino et FMC, le EVAL-CN0561-ARDZ est polyvalent pour l'intégration dans diverses plateformes de développement, y compris les systèmes basés sur FPGAs.Caractéristiques
- Acquisition de données quadruple canal sans repliement
- Interface de capteurs de vibration compatible IEPE double sans repliement
- Polarisation du capteur et source d'excitation indépendante du canal
- Protection analogique contre les surtensions et les sous-tensions (OVP et UVP)
- Réponse en fréquence du capteur de CC jusqu'à 390 kHz
- Mesure et capture synchronisée des données sur toute la bande passante
- Solution d'acquisition de données entièrement caractérisée pour -40 °C à +85 °C
- Débit allant jusqu'à 1496 kS/s
- Entrées sans repliement et résistives, aucun filtre passe-bas ni pilote requis
- Alimenté et interfacé directement via une carte de développement compatible Arduino
Applications
- Systèmes d'automatisation et de contrôle industriels
- Surveillance du réseau électrique et de l'énergie
- Instrumentation médicale
- Analyse des vibrations et analyse acoustique
- Instruments de recherche scientifique et de laboratoire
- Prototypage et évaluation de systèmes intégrés
Équipement nécessaire
- Carte NUCLEO-H563ZI
- Logiciel d'oscilloscope IIO
- Câble USB Type-C® vers USB
- Source CA de précision
Ressources
Schéma simplifié de la chaîne de signal
Connexion matérielle
Publié le: 2025-07-31
| Mis à jour le: 2025-08-06
