Analog Devices Inc. Carte d'évaluation EVAL-ADRF5717
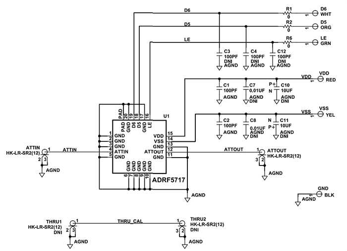
La carte d’évaluation EVAL-ADRF5717 Analog Devices Inc. évalue les caractéristiques et les performances de l’atténuateur numérique 2 bits ADRF5717 avec une plage de contrôle d’atténuation de 48 dB fabriquée selon le procédé SOI (silicium sur isolant). Cette carte d’évaluation totalement équipée à connecteurs fournit une connexion facile aux équipements de test et offre un débit supplémentaire pour l’étalonnage.Caractéristiques
- Carte d'évaluation complète pour l'ADRF5717
- Connexion facile à l'équipement de test
- Ligne de transmission supplémentaire pour l’étalonnage
Applications
- Lecteurs industriels
- Test et instrumentation
- Infrastructure cellulaire, onde millimétrique 5G
- Radios militaires, radars et contre-mesures électroniques (ECM)
- Radios micro-ondes et très petites bornes à ouverture (VSAT)
Équipement nécessaire
- Alimentation CC
- Analyseur de réseau
Schéma
Ressources supplémentaires
Publié le: 2024-03-06
| Mis à jour le: 2024-03-15
