Analog Devices Inc. Carte d'évaluation EVAL-ADA4620-1
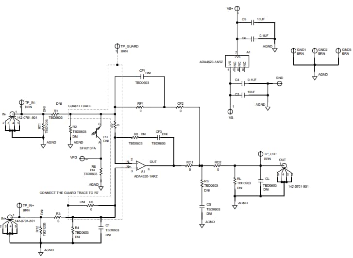
La carte d'évaluation EVAL-ADA4620-1 d'Analog Devices Inc.est conçue pour ADA4620-1 un ampli op JFET de précision 36 V dans un boîtier SOIC 8-lead. Cette carte est préconfigurée avec un amplificateur opérationnel ADA4620-1 comme tampon suiveur à gain unitaire et dispose de connecteurs SMA pour des connexions faciles en entrée et en sortie. Cela facilite des connexions efficaces avec les équipements de test et de mesure ou les circuits externes. Le plan de masse, l’implantation des composants et le découplage de l’alimentation de cette carte d’évaluation à quatre couches sont optimisés pour une flexibilité et des performances maximales du circuit. La carte d'évaluation EVAL-ADA4620-1 comprend des dispositions pour les configurations de photodiodes et la conception de filtres. Cette carte d'évaluation prend en charge diverses applications, notamment les filtres de boucle actifs, les amplificateurs transimpédance (TIA) et les amplificateurs de charge, avec des pastilles vides pour personnalisation.Caractéristiques
- Carte d'évaluation complète pour l'ADA4620-1, un ampli op JFET de précision de 36 V
- Prise en charge de configurations de circuit définies par l’utilisateur
- Permet un prototypage rapide
- Empreinte prévue pour une photodiode afin de faciliter une évaluation rapide
- Connecteurs montés en bord de carte et points de test prévus
Applications
- Filtres de boucle actifs
- Amplificateurs de transimpédance (TIA)
- Amplificateurs de charge
- Tests et mesures électroniques
- Instruments scientifiques et de terrain
- Test de semiconducteur
Connexions de carte EV
Présentation générale
Schéma
Publié le: 2025-01-15
| Mis à jour le: 2025-02-25
