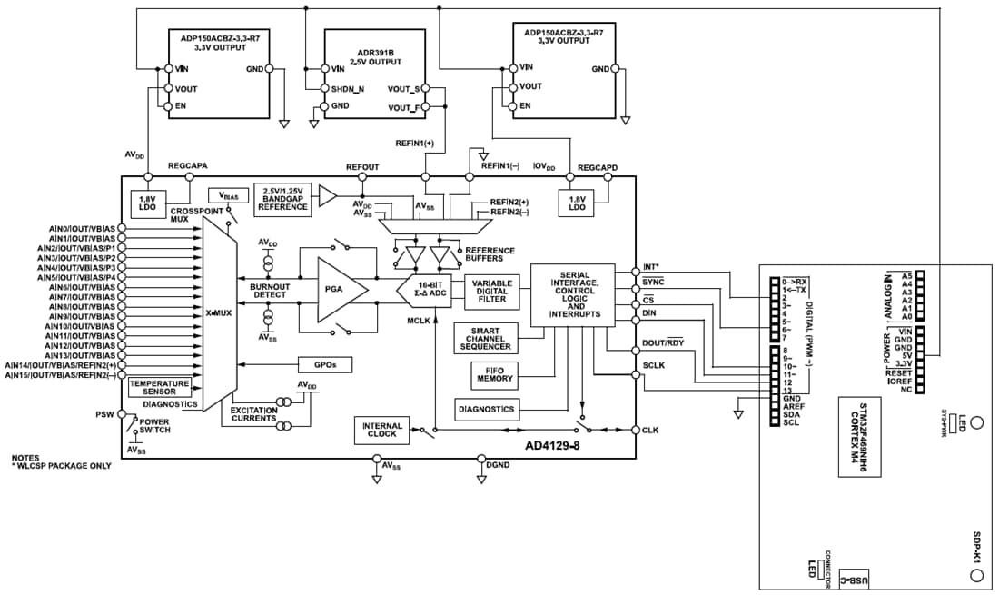
Analog Devices Inc. Kit d'évaluation EVAL-AD4129-8WARDZ
Le Kit d’évaluation EVAL-AD4129-8WARDZ d’Analog Devices Inc. dispose du convertisseur analogique-numérique (CAN) 16 bits, ultra-faible puissance et faible bruit AD4129-8. La carte EVAL-AD4129-8WARDZ se connecte au port USB du PC en se connectant à la carte mère EVAL-SDP-CK1Z. Régule une alimentation USB 5 V via le PC vers 3,3 V pour alimenter le AD4129-8 et prendre en charge tous les composants nécessaires.Le plug-in ACE AD4129-8 configure entièrement la fonctionnalité de registre du composant AD4129-8 et fournit une analyse du domaine temporel CC sous forme de graphiques de sinusoïdes, d’histogrammes et d’analyse du bruit associé pour l’évaluation des performances du CAN.
L'EVAL-AD4129-8WARDZ d’Analog Devices Inc. est une carte d’évaluation qui évalue les caractéristiques du CAN. Le logiciel PC utilisateur exécutable contrôle l'AD4129-8 sur l'USB via la carte de la plateforme de démonstration de système (SDP) EVAL-SDP-CK1Z.
Caractéristiques
- Carte d'évaluation complète pour l'AD4129-8
- Contrôle PC en conjonction avec la plateforme de démonstration système (EVAL-SDP-CK1Z) Analog Devices Inc.
- Logiciel PC pour contrôle et analyse des données (domaine temporel)
- Fonctionnement autonome
Équipement nécessaire
- carte d'évaluation EVAL-AD4129-8WARDZ
- Plateforme de démonstration de systèmes EVAL-SDP-CK1Z
- Source de signal CC
- Câble USB
- PC exécutant Microsoft Windows avec port USB 2.0
Schéma fonctionnel
Publié le: 2023-11-21
| Mis à jour le: 2023-12-14
