Analog Devices Inc. Carte de démonstration DC2985A pour le LT3380
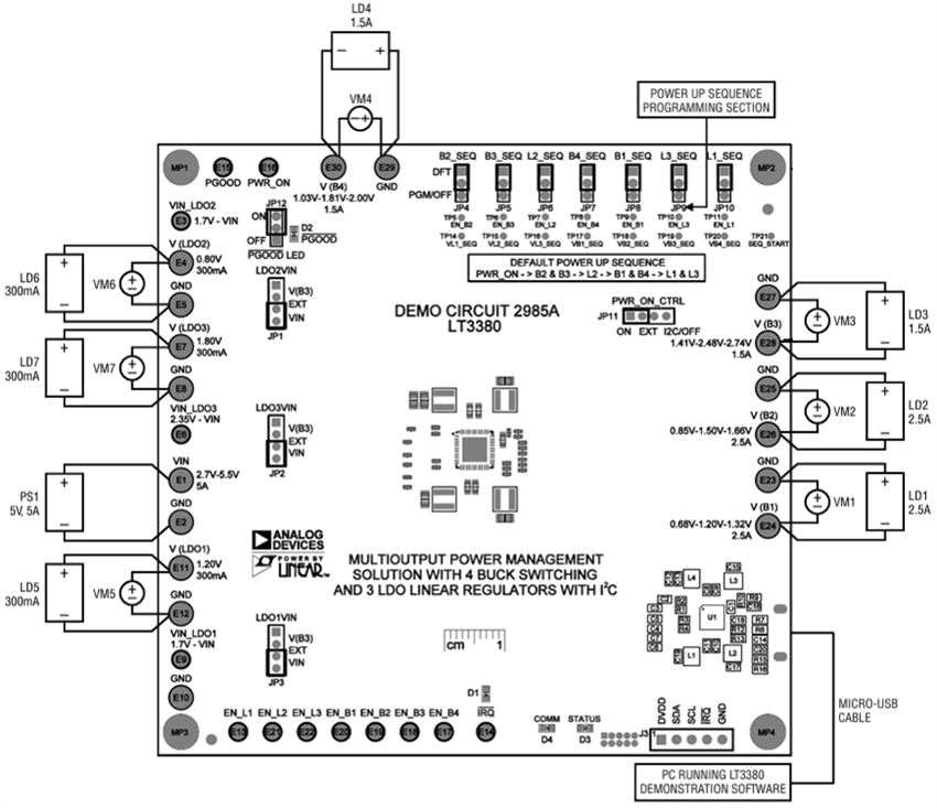
La carte de démonstration DC2985A d’Analog Devices Inc. est un PMIC de démonstration disposant du LT3380. Le LT3380 est une solution de gestion d’alimentation complète pour les systèmes avancés basés sur des processeurs d’applications portables. Le composant contient quatre convertisseurs CC-CC abaisseurs synchrones (deux à 2,5 A et deux à 1,5 A) pour les rails cœur, mémoire, E/S et système sur puce (SoC). Il dispose également de trois régulateurs LDO 300 mA pour des alimentations analogiques à faible bruit.Caractéristiques
- Deux régulateurs 1,5 A CC-CC abaisseurs synchrones et deux 2,5 A
- Trois régulateurs LDO 300 mA
- Interface de communication Micro-USB
- Plage de tension d’entrée de 2,7 V à 5,5 V
- Plage de tension de sortie Buck de 1,20 V à 2,48 V
- Plage de tension de sortie LDO de 0,80 V à 1,80 V
Applications
- Automobile
- Industriel
- Télécommunications
- Alimentations électriques multi-canaux à usage général
Configuration de test
Ressources
Publié le: 2020-07-28
| Mis à jour le: 2024-10-22
