Analog Devices Inc. Cartes de démo DC2958A-A/B/C LT8609
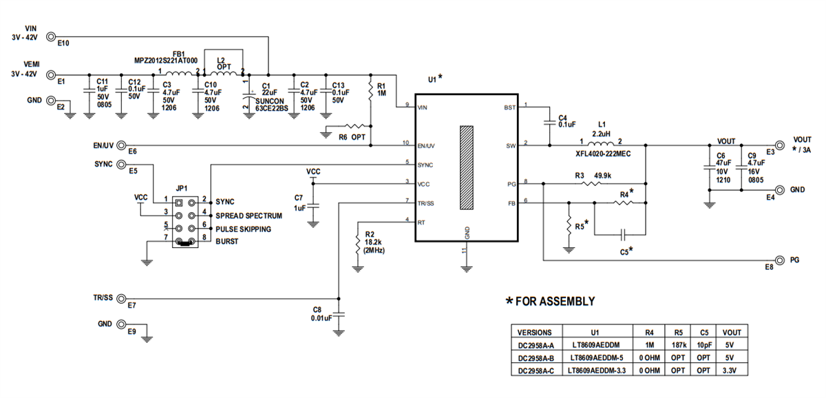
Les cartes de démonstration DC2958A-A/B/C LT8609 d'Analog Devices Inc. sont conçues pour l'évaluation des régulateurs abaisseurs synchrones micro-puissance LT8609A/09A-5/09A-3.3. Le DC2958A-A est destiné à la sortie ajustable LT8609A et le DC2958A-B est destiné au LT8609A-5 avec une tension de sortie fixe de 5 V. Le DC2958A-C est destiné au LT8609A-3.3 avec une tension de sortie fixe de 3,3 V. Ces cartes de démonstration sont conçues pour une sortie de 5 V ou 3,3 V avec une entrée pouvant atteindre 42 V. Les cartes de démonstration DC2958x fonctionnent sur des tensions d'entrée pouvant descendre à 3 V pour le fonctionnement en mode de décrochage. La tension de sortie est inférieure au point de régulation et suit la tension d'entrée en mode de décrochage. Ces cartes de démonstration disposent d'un filtre EMI. La large plage de tension d'entrée permet une variété de sources d'entrée telles que les batteries automobiles et les alimentations industrielles.Caractéristiques
- Trois variantes d'assemblage sont disponibles :
- Le DC2958A-A est destiné à la sortie ajustable LT8609A
- Le DC2958A-B est destiné au LT8609A-5 avec une tension de sortie fixe de 5 V
- Le DC2958A-C est destiné au LT8609A-3.3 avec une tension de sortie fixe de 3,3 V
- Conçu pour une sortie de 5 V ou 3,3 V avec une entrée jusqu'à 42 V
- Large plage d'entrée permettant une variété de sources d'entrée
- Filtre EMI installé
- Fréquence de commutation standard 2 MHz (fsw)
Applications
- GSM transceivers
- General purpose step-down
- Low EMI step-down
Courbe de performance
Schéma
Publié le: 2020-12-28
| Mis à jour le: 2024-12-13
