Analog Devices Inc. Amplificateur d'erreur isolé ADuM3190
L'amplificateur d'erreur isolé à haute stabilité Analog Devices ADuM3190/4190 est basé sur la technologie iCoupler® d'ADI et s'avère idéal pour les alimentations à réaction linéaires car ses contrôleurs primaires permettent d'améliorer la réponse transitoire, la densité de puissance et la stabilité par rapport à des solutions de régulation par optocoupleur ou dérivation. Contrairement aux solutions basées sur un optocoupleur qui présentent un rapport de transfert de courant inégal au cours de leur cycle de vie et à des températures élevées, la fonction de transfert de l'ADuM3190/4190 ne varie pas pendant toute sa durée de vie et reste stable sur une large plage de températures allant de -40 à 125 °C. Un amplificateur op. large bande est inclus et peut être utilisé pour mettre en place diverses techniques couramment utilisées pour la compensation de la boucle d'alimentation. L'ADuM3190/4190 est suffisamment rapide pour permettre à une boucle de réaction de réagir aux conditions transitoires rapides et de surtensions. Le composant affiche également une référence de 1,225 V de haute précision, à comparer avec le point de consigne de la sortie de l'alimentation.The ADI ADuM3190/4190 includes a wide band operational amplifier that can be used to set up a variety of commonly used power supply loop compensation techniques. ADuM3190/4190 is fast enough to allow a feedback loop to react to fast transient conditions and over current conditions. The device also includes a high accuracy 1.225V reference to compare with the supply output set point.
Caractéristiques
- Stable over time and temperature
- 0.5% initial accuracy
- 1% accuracy over the full temperature range
- Compatible with Type II or Type III compensation networks
- 1.225V Reference voltage
- Compatible with DOSA
- <7mA Total low power operation
- Wide voltage supply range
- VDD1 is 3V to 20V
- VDD2 is 3V to 20V
- 400kHz Bandwidth
- 2.5kVrms Isolation voltage
Applications
- Linear power supplies
- Inverters
- Uninterruptible Power Supply
- DOSA-compatible modules
- Voltage monitors
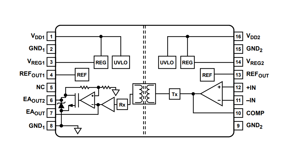
Block Diagram
Additional Resources
Using the ADuM4136 Isolated Gate Driver and LT3999 DC-to-DC Converter to Drive a 1200V SiC Power Module
Learn More
Publié le: 2013-05-30
| Mis à jour le: 2022-03-11
