Analog Devices Inc. Modules multi-puces frontaux RF ADRF5534
Les modules multi-puces frontaux RF ADRF5534 d’Analog Devices Inc. sont conçus pour les applications duplex de division temporelle (TDD) et fonctionnent dans la gamme de fréquences de 3,1 GHz à 4,2 GHz. Ces modules multi-puces sont configurés avec un LNA et un commutateur SPDT en silicium de haute puissance. Le LNA offre un faible facteur de bruit (NF) de 1,3 dB et un gain élevé de 35,5 dB avec un point d’interception d’entrée de troisième ordre (IIP3) de − 4 dBm dans l'exploitation de réception. Le commutateur fournit un faible affaiblissement d'insertion de 0,8 dB et gère une puissance moyenne d’évolution à long terme (LTE) de 37 dBm pour une exploitation de durée de vie complète dans l'exploitation de transmission. Les modules multi-puces frontaux RF ADRF5534 sont idéaux pour les infrastructures sans fil, les systèmes de communication basés sur le TDD, les systèmes d'entrées et de sorties multiples massives (MIMO) TDD, et les systèmes d’antennes actives.Caractéristiques
- Frontal RF intégré :
- LNA et commutateur SPDT haute puissance au silicium
- Polarisation et adaptation sur puce
- Exploitation à alimentation simple
- Gain standard de 35,5 dB à 3,6 GHz
- Planéité de gain 1,5 dB à 25 °C sur la largeur de bande de 400 MHz
- Faible facteur de bruit standard de 1,3 dB à 3,6 GHz
- Faible affaiblissement d'insertion standard de 0,8 dB à 3,6 GHz
- Contrôle logique positif
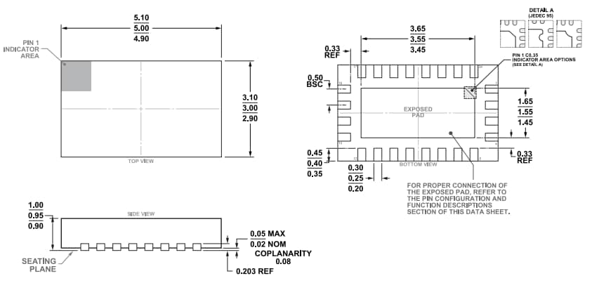
- Boîtier LFCSP à 24 fils de 5 mm × 3 mm,
- Traitement de haute puissance à TCASE = 105 °C
- Durée de vie complète
- Puissance moyenne LTE de 37 dBm (8 dB PAR)
- Événement unique (fonctionnement < 10 s)
- Puissance moyenne 39 dBm LTE (8 dB PAR)
- Durée de vie complète
- IP3 à entrée élevée de -4 dBm
- Faible courant d'alimentation :
- Exploitation de réception standard de 120 mA à 5 V
- Exploitation de transmission standard de 15 mA à 5 V
Applications
- Infrastructure sans fil
- Systèmes d'entrées et de sorties multiples massives (MIMO) TDD et les systèmes d’antennes actives
- Systèmes de communication TDD
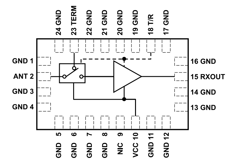
Schéma fonctionnel
dimensions
Publié le: 2023-04-27
| Mis à jour le: 2023-05-09
