Analog Devices Inc. Commutateurs SP4T au silicium ADRF5043
Les commutateurs SP4T au silicium ADRF5043 d'Analog Devices Inc. sont fabriqués selon le procédé SOI (isolant sur silicium) et fonctionnent de 9 kHz à 44 GHz. L'ADRF5043 dispose d'un affaiblissement d'insertion inférieur à 2,5 dB et d'un isolement supérieur à 36 dB. Le composant dispose d'une capacité de traitement de puissance d'entrée RF de 24 dBm pour les chemins traversants et terminés.L'ADRF5043 d'ADI nécessite une tension d'alimentation bipolaire symétrique de +3,3 V et -3,3 V. Le composant utilise des contrôleurs compatibles CMOS et logique de transistor à transistor basse tension (LVTTL). L'ADRF5043 a des contrôles activés et de sélection logique pour équiper respectivement tous les miroirs de port et à l'état bloqué. L'ADRF5043 est compatible au niveau des broches avec la version à commutation rapide ADRF5042, qui fonctionne de 100 MHz à 44 GHz.
Les commutateurs SP4T non réfléchissants au silicium ADRF5043 sont disponibles en boîtier LGA (land grid array) conforme à la directive RoHS de 3 mm × 3 mm à 24 bornes et ont une température de fonctionnement de -40 °C à +105 °C.
Caractéristiques
- Gamme de fréquences ultra large bande de 9 kHz à 44 GHz
- Conception 50 Ω non réfléchissante
- Faible perte d'insertion
- 1,5 dB jusqu'à 18 GHz
- 2,4 dB jusqu'à 40 GHz
- 2,5 dB jusqu'à 44 GHz
- Isolation élevée
- 44 dB jusqu'à 18 GHz
- 39 dB jusqu'à 40 GHz
- 36 dB jusqu'à 44 GHz
- Grande linéarité d'entrée
- P0,1 dB standard 26 dBm
- IP3 standard 48 dBm
- Gestion de puissance élevée
- Chemin traversant 24 dBm
- Chemin de terminaison 24 dBm
- Contrôle de l'état bloqué
- Commande de sélection logique
- Pas d'impulsions à basse fréquence
- Durée d'établissement de 6 µs (sortie RF finale de 0,1 dB)
- Boîtier LGA 24 bornes, 3 mm x 3 mm
- Brochage compatible avec ADRF5042, version à commutation rapide
Applications
- Lecteurs industriels
- Instrumentation de test
- Infrastructure cellulaire - ondes millimétriques (mmWave) 5G
- Radios militaires, radars, contre-mesures électroniques (ECMs)
- Radios micro-ondes et très petites bornes d'ouverture (VSATs)
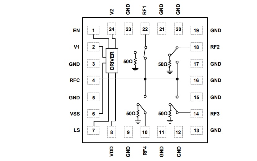
Schéma fonctionnel
Publié le: 2020-09-23
| Mis à jour le: 2024-11-12
