Analog Devices Inc. Convertisseurs CC-CC Buck synchrones ADPL13602
Les convertisseurs CC-CC Buck synchrones ADPL13602 Analog Devices Inc. sont des composants à haut rendement avec des MOSFET intégrés fonctionnant sur une plage de tension d’entrée allant de 3,5 V à 36 V. L'ADPL13602 en boîtier TQFN-EP à 16 broches (3 mm x 3 mm) peut fournir jusqu’à 2,4 A de courant. La tension de sortie est programmable de 1 V à 90 % de la VIN. La compensation intégrée sur l'ensemble de la plage de tensions de sortie élimine le besoin de composants de compensation externes.L'ADPL13602 d’ADI dispose d’une architecture de contrôle en mode courant de crête. L'ADPL13602 peut fonctionner en modulation de largeur d’impulsion (MLI) forcée ou en mode de conduction discontinue (DCM) pour permettre un haut rendement dans des conditions à pleine et faible charge. L'ADPL13602 offre un faible temps d’allumage minimal qui permet des fréquences de commutation élevées et des tailles de solution plus petites. Ce composant fournit une précision de régulation de tension de rétroaction de ±1,5 % sur une plage de -40 °C à +125 °C.
Caractéristiques
- Réduit les composants externes et le coût total
- Sans fonctionnement Schottky synchrone
- Composants de la compensation interne
- Condensateurs tout céramique, encombrement compact
- Réduit le nombre de régulateurs CC-CC en stock
- Large entrée de 3,5 V à 36 V
- Plage de tension de sortie réglable de 1 V à 90 % de la VIN
- Fournit jusqu’à 2,4 A sur la plage de températures
- Plage de fréquence réglable de 400 kHz à 1,5 MHz
- Réduit la dissipation d’énergie
- Rendement maximal de 95 %
- Large entrée de polarisation d’amorçage de 2,4 V à 12 V (EXTVCC) pour une meilleure efficacité
- Fonctionnement fiable dans les environnements industriels hostiles
- Protection contre la surcharge en mode de ratés
- Démarrage réglable et monotone avec tension de sortie prépolarisée
- Surveillance de la tension de sortie intégrée avec RESET
- Seuil EN/UVLO programmable
- Large plage de températures de fonctionnement ambiantes industrielles de -40 °C à +125 °C ou plage de températures de jonction de -40 °C à +150 °C
Applications
- Alimentations de contrôle industriel
- Régulation de l’alimentation distribuée
- Régulation de transformateurs muraux
- Systèmes monocarte, haute tension
Schéma d’application simplifié
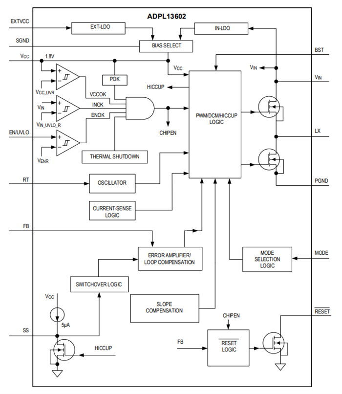
Schéma fonctionnel
Publié le: 2024-02-26
| Mis à jour le: 2025-05-15
