Analog Devices Inc. Module frontal de capteur multimodal ADPD6000
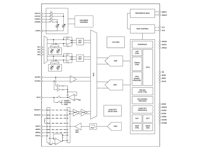
L'interface frontale de capteur multimodal ADPD6000 d'Analog Devices Inc. est hautement intégrée et conçue pour mesurer divers signaux vitaux. Le canal optique AFE est conçu comme un émetteur-récepteur optique, stimulant jusqu'à quatre diodes électroluminescentes (LED) et mesurant le signal de retour sur quatre entrées de courant séparées. La chaîne de signal rejette les décalages de signal et la corruption provenant d'interférences asynchrones modulées, généralement à partir de la lumière ambiante, éliminant ainsi le besoin de filtres optiques ou de circuits d'annulation CC contrôlés en externe.L'acquisition de signal d'électrocardiographie (ECG) est conçue pour prendre en charge une mesure de niveau de diagnostic et de bruit faible en présence de divers interférences. La chaîne de signal ECG dispose de plusieurs caractéristiques complémentaires prenant en charge les mesures ECG, telles qu'une référence pilotée pour le rejet en mode commun et la détection arrêt de fil pour identifier une électrode tombée.
La chaîne de signal BIA (analyse d'impédance corporelle) est conçue pour mesurer l'impédance corporelle avec un chemin d'excitation et un chemin de mesure configurables. Un CNA (numérique-analogique) 12 bits est utilisé dans le chemin d'excitation pour générer l'onde sinusoïdale et la mesure de haute précision, avec des filtres configurables utilisés pour mesurer la réponse du corps du stimulus.
La sortie des données et la configuration fonctionnelle utilisent une interface de port série (SPI) sur le modèle ADPD6000. Le circuit de commande comprend une signalisation LED flexible et une détection synchrone, des filtres numériques, des générateurs d'ondes numériques et des filtres configurables.
L'ADPD6000 est logé dans un boîtier WLCSP (wafer level chip scale) à 36 billes de 2,6 mm × 2,6 mm et pas de 0,4 mm.
Caractéristiques
- Canal optique
- 4 canaux d'entrée avec plusieurs modes de fonctionnement pour diverses mesures de capteur
- Traitement à canal double avec échantillonnage simultané
- 12 créneaux horaires programmables pour les mesures de capteurs synchronisées
- Multiplexage d'entrée flexible pour prendre en charge les mesures de capteurs asymétriques
- 4 pilotes LED, dont 2 peuvent être pilotés simultanément
- Fréquence d'échantillonnage flexible de 0,004 Hz à 9 kHz à l'aide d'oscillateurs internes
- SNR (avec filtrage hors puce) de 117 dB de chaîne de signal de transmission et de réception
- Rejet de lumière ambiante CA de 78 dB jusqu'à 100 Hz
- Courant de crête de LED total 400 mA
- CNA à rejet d'éclairage ambiant individuel à entrée TIA avec un contrôle 9 bits jusqu'à 300 μA
- CNA d'annulation CC LED individuel à entrée TIA avec un contrôle 7 bits jusqu'à 190 μA
- Canal ECG
- Bruit RTI de 0,75 μVrms à la bande passante du filtre de diagnostic (150 Hz)
- Impédance d'entrée élevée de 3 GΩ
- Accepte jusqu'à 1,2 V de la plage d'entrée différentielle CC
- Taux de réjection en mode commun : 116 dB
- Configurations à deux électrodes et trois électrodes
- Détection de coupure de courant CA et détection de coupure de courant CC
- Canal BIA
- Chemin d'excitation à faible puissance et haute précision
- Fréquence de sortie configurable jusqu'à 250 kHz
- Excitation à onde sinusoïdale avec CNA 12 bits
- Haute précision avec grande impédance de contact déséquilibre
- Filtres de réception configurables avec conception à faible bruit
- Moteur de mesure d'impédance complexe
- Prend en charge l'étalonnage externe et l'étalonnage interne
- Communications SPI prises en charge
- FIFO 640 octets
Applications
- Moniteurs de santé et de remise en forme portatifs : fréquence cardiaque, variabilité de la fréquence cardiaque, SpO2, analyse d'impédance corporelle, hydratation, pression artérielle non invasive sans manchette
- Suivi des patients à domicile
- Surveillance industrielle : détection de particules et d'aérosols, de gaz et de conductivité
Schéma fonctionnel
