Analog Devices Inc. Carte d'évaluation ADPA1112-EVALZ
La carte d'évaluation ADPA1112-EVALZ d'Analog Devices est une plateforme compact et efficace conçue pour évaluer la performance de l'amplificateur de puissance à large bande GaN ADPA1112. Le circuit imprimé (PCB) à 2 couches fabriqué à partir d'un revêtement de cuivre Rogers 4350B de 0,2 mm d'épaisseur est monté sur un dissipateur thermique en aluminium. Le dissipateur thermique assure la dissipation de chaleur et le support mécanique du PCB. Fonctionnant sur une large gamme de fréquences de 30 MHz à 1 200 MHz, cette carte est idéale pour les applications RF nécessitant une linéarité, un gain et une efficacité énergétique élevés.L'ADPA1112-EVALZ d'Analog Devices dispose d'une configuration entièrement assemblée et testée qui permet aux ingénieurs d'évaluer rapidement les capacités de l'amplificateur dans des conditions réelles. La carte comprend des connecteurs SMA pour une interface RF d'entrée et de sortie facile, ainsi que des points d'essai clairement étiquetés pour les tensions de polarisation et de contrôle. Avec une conception robuste et une configuration simple, l'ADPA1112-EVALZ est parfaitement adapté à une utilisation dans les systèmes aérospatiaux et de défense, les infrastructures de communication, l'instrumentation et les radios définies par logiciel.
Caractéristiques
- Carte d'évaluation 2 couches Rogers 4350B avec dissipateur de chaleur
- Connecteurs RF de lancement de 2,92 mm
- Via le chemin d'étalonnage
- Impédance caractéristique des traces RF de 50 Ω
- Guides d'ondes coplanaires mis à la terre de 50 Ω
Applications
- Systèmes aérospatiaux et de défense
- Instruments
- Équipement de communications
- Radios définies par logiciel (SDR)
- Amplification de puissance RF à large bande
Équipement nécessaire
- Générateur de signal RF
- Analyseur de spectre RF
- Analyseur de réseau RF
- Alimentation électrique de 30 V, 3 A
- Alimentation électrique de -3 V à 0 V, 10 mA
- Alimentation électrique de 5 V, 20 mA
Ressources
Configuration de banc standard et connexions d'exploitation
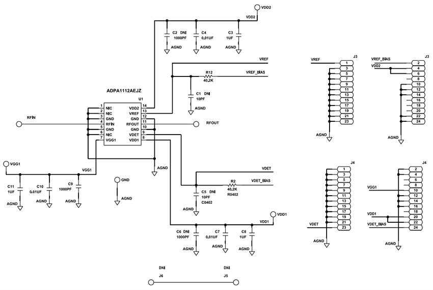
Schéma
Schéma d'assemblage
Publié le: 2025-08-01
| Mis à jour le: 2025-08-18
