Analog Devices Inc. Unité de gestion de micro-puissance (PMU) ADP1034
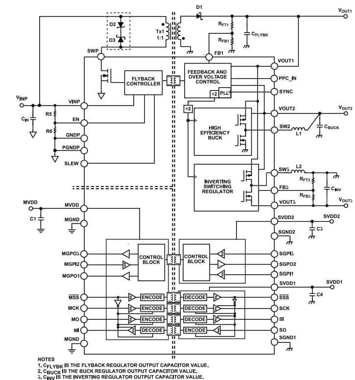
L'unité de gestion de micropuissance (PMU) ADP1034 d'Analog Devices Inc. est une PMU isolée à hautes performances qui combine un régulateur CC-CC Flyback isolé, un buck-boost et un régulateur CC-CC Buck. Le PMU ADP1034 possède quatre canaux d'isolation de l'interface périphérique série (SPI) à haute vitesse et trois isolateurs à usage général pour les applications de canal à canal. Ce PMU fonctionne sur une large plage de tension d'alimentation d'entrée de 4,5 V à 60 V. La PMU ADP1034 offre un rendement standard de 86 % à une puissance de sortie de 2,61 W. Ce PMU se caractérise par une vitesse élevée, un faible retard de propagation et des canaux d'isolation du signal SPI. Les applications incluent l’automatisation industrielle et le contrôle des processus, l’instrumentation et les systèmes d’acquisition de données, ainsi que l’isolation des données et de l’alimentation.Caractéristiques
- Large plage de tension d’alimentation de 4,5 V à 60 V
- Commutateur d'alimentation flyback intégré
- Génère des sorties bipolaires isolées, indépendantes, programmables par résistance et une sortie buck programmable en usine :
- VOUT1 de 6 V à 28 V
- VOUT2 de 5 V
- VOUT3 de -24 V à -2 V
- Efficacité standard de 86 % à une puissance de sortie de 2,61 W
- Broche de contrôle de puissance programmable (PPC_IN) pour ajuster VOUT1 par commande série
- Utilise un transformateur à rapport 1:1 pour une conception de transformateur simplifiée
- Fréquence de commutation réglable via l'entrée SYNC
- Limitation du courant de crête et protection contre les surtensions
- Compensation interne et contrôle du démarrage doux par régulateur
- Entrée de précision
- Canaux d'isolation de signal SPI à haut débit et à faible retard de propagation
- Trois canaux de données isolés à usage général de 100 kbit/s
- Le facteur de forme LFCSP 41 fils, 9 mm x 7 mm permet une solution de petite taille globale
- Plage de température de jonction : de –40 °C à +125 °C
- Homologations pour les normes et sécurité (en cours)
- CISPR11 classe B d'émissions de radiation
- Reconnaissance UL : 2 500 Vrms pendant 1 minute selon la norme UL 1577
- Notification d'acceptation de composant CSA 5A :
- Isolation de base de 300 Vrms entre les domaines d’alimentation esclave, maître et de terrain (CEI 61010-1, en cours)
- Certificat de conformité VDE :
- DIN VVDE 0884-10 (VDE 0884-10) : 2006-12
- VIORM = 565 V de pointe
Applications
- Automatisation industrielle et contrôle de processus
- Instrumentation et systèmes d'acquisition de données
- Alimentation et données isolées
Schéma de circuit d’application standard
Schéma fonctionnel
Publié le: 2022-06-08
| Mis à jour le: 2025-03-10
