Analog Devices Inc. Carte d'évaluation ADL8102-EVALZ
La carte d’évaluation ADL8102-EVALZ d'Analog Devices est un circuit imprimé (PCB) à 2 couches conçue à partir d'un stratifié revêtu de cuivre Rogers 4350B de 10 mm d'épaisseur. Les ports RFIN et RFOUT de l'ADL8102-EVALZ disposent de connecteurs coaxiaux femelles de 2,9 mm et les traces RF correspondantes ont une impédance caractéristique de 50 Ω.L'ADL8102-EVALZ d’ADI dispose des composants idéaux pour une utilisation sur l'ensemble de la plage de températures de fonctionnement de -40 °C à +85 °C.
Caractéristiques
- Carte d’évaluation à 2 couches Rogers 4350B
- Connecteurs RF 2,9 mm, lancement final
- Chemin d'étalonnage traversant (désempli)
Applications
- Télécommunications
- Communications satellitaires
- Radar à usage militaire
- Radar météo
- Radar civil
- Guerre électronique
Équipement nécessaire
- Générateur de signal RF
- Analyseur de spectre RF
- Analyseur de réseau RF
- Alimentation électrique 5 V, 500 mA
Topologie
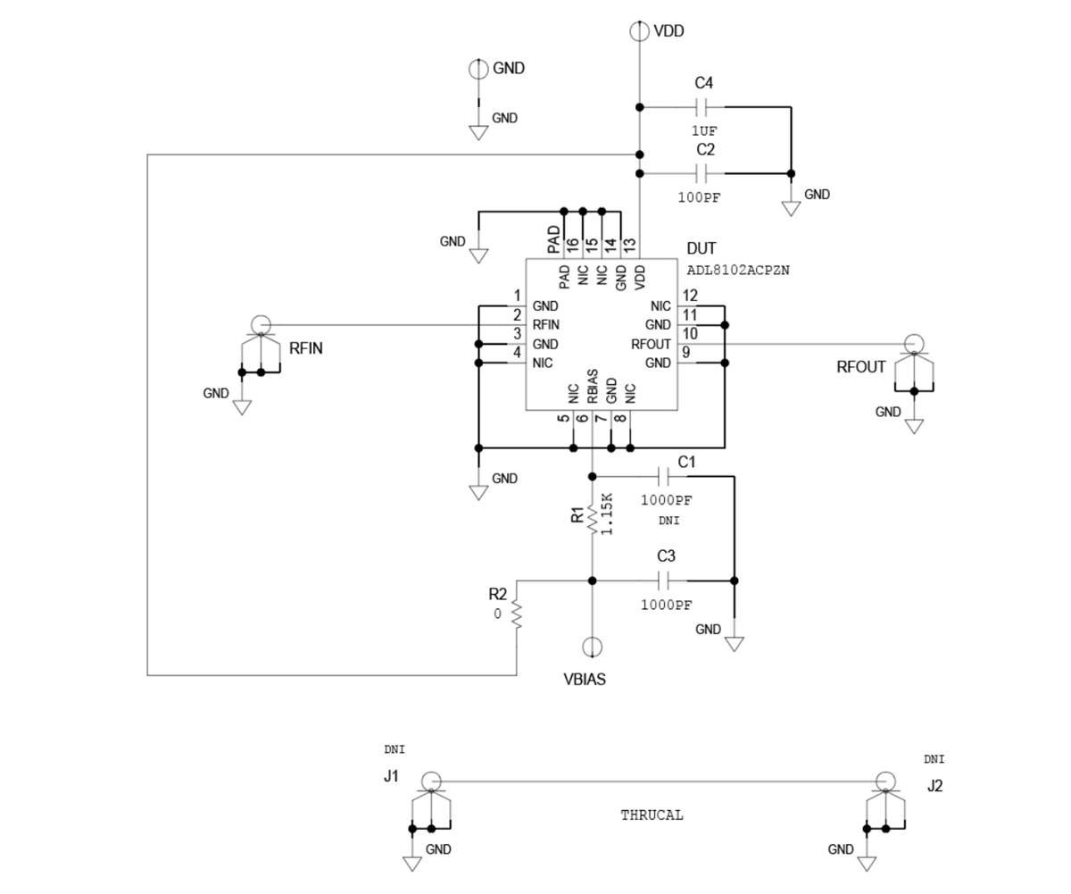
Schéma
Publié le: 2023-12-18
| Mis à jour le: 2024-01-30
