Analog Devices Inc. Carte d'évaluation ADL6331-EVALZA
La carte d’évaluation ADL6331-EVALZA Analog Devices comporte une commande manuelle de l'ADL6331 par le port USB sur un PC Microsoft® Windows® via une carte d’interface SDP-S vendue séparément. L’amplificateur à gain variable (TxVGA) de transmission ADL6331 d’ADI fournit une interface entre les convertisseurs numérique-analogique de RF (CNA RF) et une chaîne de signal d’amplificateur de puissance (PA) asymétrique. La carte d’évaluation ADL6331-EVALZA est totalement équipée d'une interface conviviale grâce au logiciel ACE.Caractéristiques
- Carte d'évaluation complète pour l'ADL6331-EVALZA
- Fonctionnement à alimentation simple
- Interface conviviale avec logiciel d’analyse, de commande et d’évaluation (ACE)
Équipement nécessaire
- Alimentation CC 3,3 V
- EVAL-SDP-CS1Z (SDP-S)
- Générateur de signaux
- Analyseur de spectres
- Analyseur de réseaux (facultatif)
- PC Microsoft Windows avec port USB
Logiciels
- Logiciel ACE
- Logiciel enfichable ACE ADL6331
Configuration de mesure standard
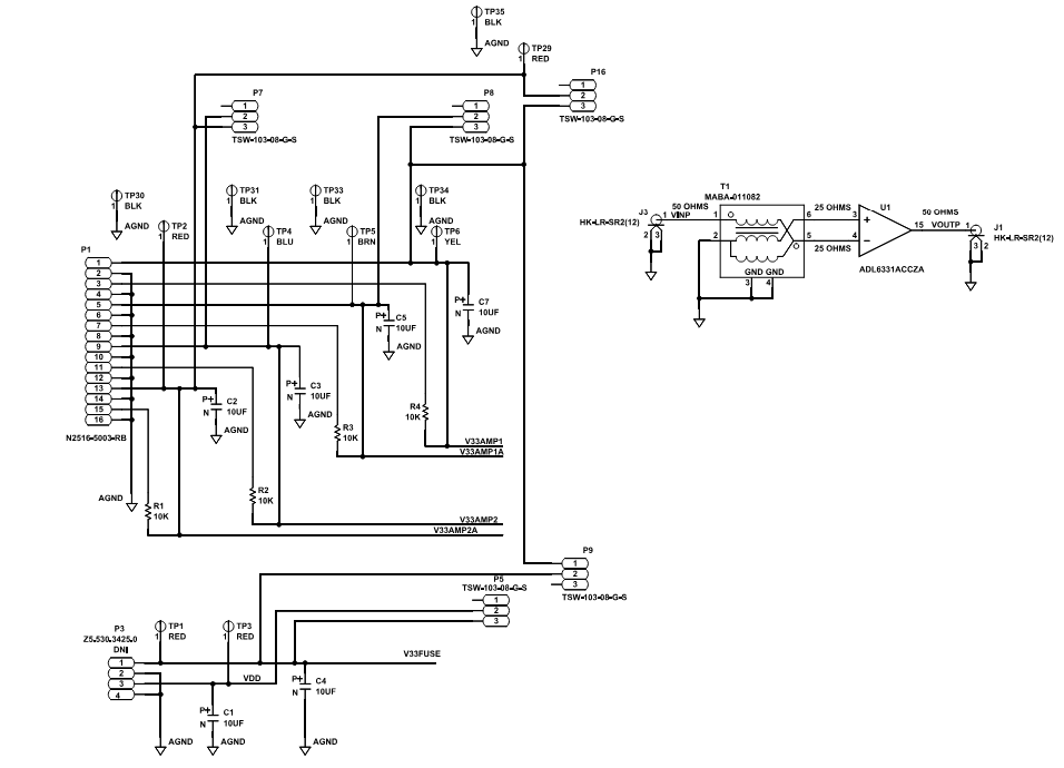
Schéma
Topologie
Publié le: 2024-05-07
| Mis à jour le: 2024-06-25
