Analog Devices Inc. Carte d'évaluation ADL6012-EVALZ
La carte d’évaluation ADL6012-EVALZ d'Analog Devices fournit une plateforme de démonstration et de développement pour le détecteur d’enveloppe à large bande de 2 GHz à 67 GHz ADL6012. L'ADL6012 dispose de réponses de temps de montée/descente rapides, d'environ 1 ns, en fonction des niveaux de puissance d’entrée, avec une largeur de bande d’enveloppe de sortie de 500 MHz. L'ADL6012-EVALZ fournit les connexions de base pour le signal d'entrée RF et la tension de sortie de l'enveloppe. Les sorties d'enveloppe différentielle sur l'ADL6012-EVALZ peuvent être directement connectées à un oscilloscope haut débit pour évaluer les capacités de suivi d'enveloppe différentielle.Caractéristiques
- Carte d'évaluation totalement équipée pour l'ADL6012
- Spécifié jusqu'à 67 GHz
- Exploitation de 3,15 V à 5,25 V
- Connecteurs SMA pour RF IN, VEH+ et VEH-
Applications
- Suivi d'enveloppes
- Liaisons hertziennes point à point
- Instrumentation à hyperfréquences
- Radios militaires
- Récepteurs radar à impulsion
- Linéarisation d’amplificateur de puissance large bande
Équipement nécessaire
- Générateur de signaux analogiques jusqu’à 67 GHz
- Oscilloscope haut débit
- Voltmètre CC
- Alimentation 5 V
- Sonde différentielle
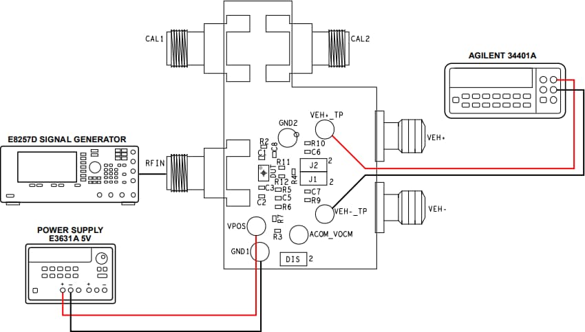
Configuration de mesure CC standard
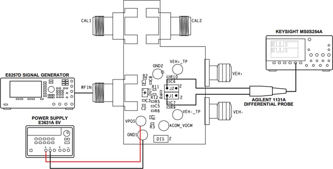
Mesure d'enveloppe
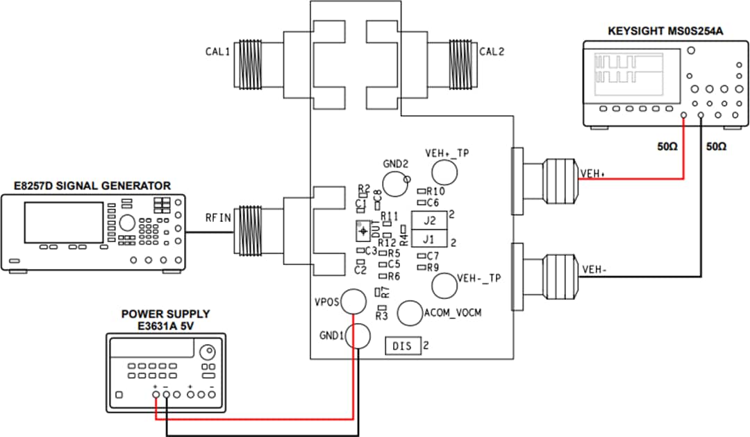
Sortie d’enveloppe différentielle
Publié le: 2020-07-06
| Mis à jour le: 2024-10-18
