Analog Devices Inc. Systèmes d’acquisition de données à haute tension ADES175x
Les systèmes d'acquisition de données haute tension ADES175x d’Analog Devices Inc. sont des systèmes flexibles pour la gestion des modules de batteries basse tension et haute tension. Ces systèmes mesurent 14 tensions de cellules et une combinaison de six températures ou tensions du système avec des moteurs de mesure redondants en 162 μs. Les systèmes ADES175x peuvent effectuer toutes les entrées avec le moteur de mesure de convertisseur numérique analogique (CAN) en 99 μs. Ces systèmes utilisent un protocole UART de gestion de batterie pour des communications robustes et prennent en charge une interface de contrôleur I2C pour le contrôle de périphérique externe.Les systèmes ADES175x comprennent des alertes de sécurité configurables individuellement, telles que des défaillances de surtension, de sous-tension, de surchauffe et de sous-température. Ces systèmes fonctionnent à une tension d’alimentation maximale de 65 V et sur une plage de température de -40 °C à 105 °C. Les systèmes ADES175x sont utilisés dans la charge des véhicules électriques, les outils alimentés par batterie, les systèmes de super condensateurs, les piles de batteries haute tension et les systèmes de stockage de batteries résidentiels.
Caractéristiques
- Acquisitions de comparateurs (COMP) et de CAN redondants
- Acquisition simultanée de la tension des cellules et de la barre omnibus
- 14 canaux de mesure de tensions des cellules :
- Précision de 2,2 mV/5 mV/10 mV (de -40 °C à 105 °C)
- Précision de 1,8 mV (de 5 °C à 65 °C)
- 14 commutateurs d’équilibrage des cellules :
- Courant d'équilibrage programmable par logiciel >300 mA
- Équilibrage automatisé par tension de cellule
- Équilibrage automatisé à l’aide de minuteurs de cellules individuels
- Mode de décharge d’urgence
- Protocole UART pour la gestion de la batterie
- Inductif pour une isolation galvanique plus élevée
- Débit en bauds jusqu’à 2 Mbit/s (détection automatique)
- Retard de propagation de 1,5 μs par dispositif
- Connexion en guirlande jusqu’à 32 appareils
- Vérification des erreurs de paquets (PEC)
- Six entrées auxiliaires configurables pour la température, la tension ou les GPIO
- Mesure intégrée de la température de la puce
- Tolérance aux branchements à chaud sans protection externe
- Interface UART et double UART
- Contrôleur I2C
- Identifiant de dispositif unique 32 bits
- Alertes de sécurité configurables individuellement
- Alerte de désadaptation de 1 cellule
- Défauts de surtension et de sous-température
- Défauts de sous-tension et de surchauffe
- Tension d’alimentation maximale de 65 V
- Fonctionnement à ultra-faible puissance
Applications
- Systèmes de batterie de secours (ASI)
- Empilements de batteries haute tension
- Systèmes de stockage de batteries résidentielles
- Systèmes Super-cap
- Outils alimentés par batterie
- Charge des véhicules électriques
Vidéos
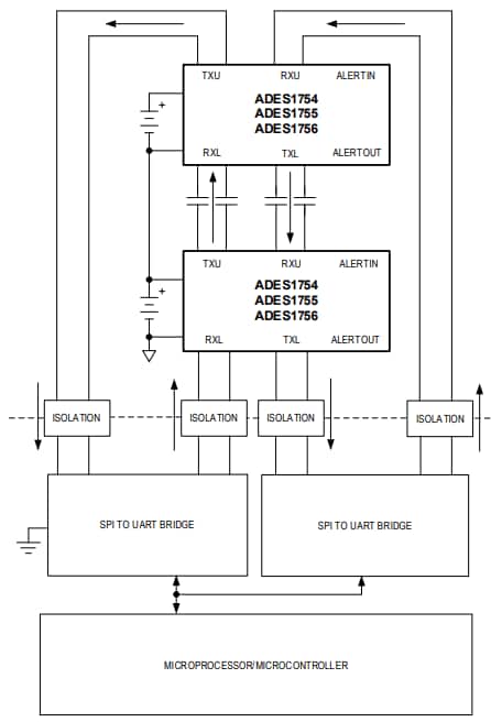
Schéma d'application standard
Publié le: 2024-02-07
| Mis à jour le: 2024-08-30
