Analog Devices Inc. DSP de gestion de l'énergie ADE9178
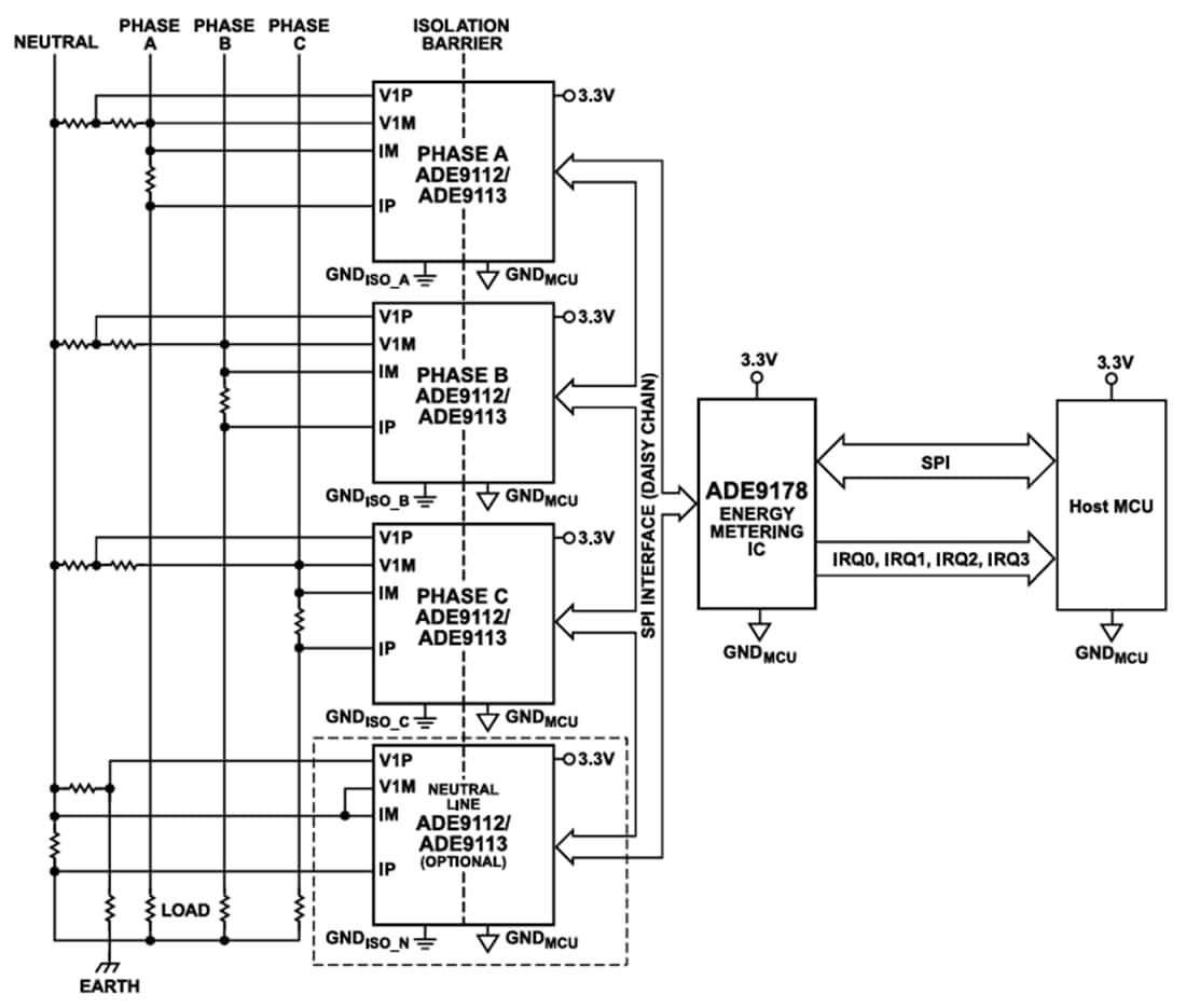
Le DSP de gestion de l'énergie ADE9178 d'Analog Devices est un processeur de signal numérique (DSP) de métrologie destiné à être utilisé avec une combinaison de convertisseurs analogiques-numériques (CAN) sigma-delta ADE9113/ADE9112/ADE9103. L'ADE9178 est un CI de mesure d'énergie électrique triphasée de haute précision principalement destiné au marché des équipements d'alimentation de véhicules électriques (EVSE) avec l'interface périphérique série (SPI) et deux sorties d'impulsion flexibles. L'ADE9178 peut s'interfacer avec jusqu'à quatre dispositifs ADE9113/ADE9112/ADE9103 connectés en guirlande via le protocole SPI. L'ADE9178 intègre tout le traitement de signal nécessaire pour effectuer des mesures d'énergie active totale, d'énergie apparente et des calculs de la valeur moyenne quadratique (RMS). Un DSP à fonction fixe exécute ce traitement de signal. L'ADE9178 d'Analog Devices est disponible dans un boîtier TQFN-EP 40 à fils.Caractéristiques
- Puce de métrologie à utiliser avec n'importe quelle combinaison des AFE suivants
- Peut prendre en charge jusqu'à quatre CAN ADE9113/ADE9112/ADE9103 en guirlande via une connexion SPI 4 fils (prend en charge jusqu'à un total de 12 canaux de données CAN)
- SPI 4 fils pour les communications du microcontrôleur (MCU) hôte jusqu'à 25 MHz
- Calcul de l'énergie active totale
- La précision de classe C (0,5 %) prend en charge ce qui suit
- MID 2014/32/EU Annexe V
- EN 50470-1:2006
- EN 50470-3:2022
- EN 50470-3:2022
- CEI 62052-11:2020
- CEI 62053-21:2020
- OIML G 22:2022
- Manuel NIST 44:2023
- Calcul de l'énergie apparente totale à l'aide du RMS filtré
- Accumulation d'énergie, importation et exportation pour les applications d'alimentation inverse/véhicule vers la grille (V2G)
- Registres d'étalonnage de phase, de gain et de décalage configurables pour tous les canaux CAN
- Fonctionnalités de base de qualité d'énergie
- Détection de sous-tension ou surtension de courte durée (plongée/gonflement)
- Détection de sous-intensité ou de de surintensité de courte durée (plongée/gonflement)
- Calcul de la fréquence de ligne avec une précision de 10 mHz
- Angles entre les tensions et les courants de phase
- Calcul du facteur de puissance
- Deux sorties d'impulsion de fréquence d'étalonnage (CF) configurables
- Configurables avec détection de charge nulle
- Détection de séquence de phase
- RMS sur cycle complet, demi-cycle et RMS filtré sur tous les canaux CAN
- Prise en charge de la gamme de fréquences de 45 Hz à 65 Hz
- Quatre sorties d'interruption programmables par l'utilisateur (IRQ)
- Détection de défaut d'ouverture du PEN (BS 7671:2018 Amendement 1:2020)
- Diffusion de la forme d’onde via la broche d'émission UART
- Multiplexage du chemin de données afin de permettre l'utilisation de toutes les données CAN pour tout chemin de traitement des données
- Plage de température de −40 °C à +105 °C
- Disponible en boîtier TQFN-EP à 40 fils de 5 mm × 5 mm
Applications
- Équipement d’alimentation de véhicules électriques
- Instruments de mesure de shunt polyphasés
- Convertisseurs solaires
- Surveillance de l'énergie et de l'alimentation
Circuit d'applications standard
Publié le: 2024-11-08
| Mis à jour le: 2024-11-18
