Analog Devices Inc. Solution d'acquisition de données à μModule® ADAQ4370-4
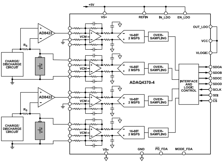
La solution d’acquisition de données (DAQ) à μModule® ADAQ4370-4 d’Analog Devices Inc. est une solution de chaîne de signal DAQ de précision à 16 bits et 4 canaux. Ce dispositif réduit le cycle de développement d’un système de mesure de précision en transférant les défis de conception de la chaîne de signaux de la sélection des composants du concepteur au dispositif. La solution ADAQ4370-4 comprend une fonction de suréchantillonnage sur puce, une erreur de gain standard de 0,01 %, une dérive de gain standard de 0,8 ppm/°C et une interface série haute vitesse. Les applications typiques incluent les systèmes de test de batterie de qualité de laboratoire, le sonar, la surveillance de la qualité de l’alimentation, les systèmes d’acquisition de données et le retour d’information sur la position du contrôle de moteur.Caractéristiques
- Système d’acquisition de données à μModule® facile à utiliser :
- Réduction de l’empreinte de 11x par rapport à la solution discrète
- Composants passifs critiques intégrés
- Exploitation avec alimentation unique de 5 V
- Garantie de 16 bits, aucun code manquant
- Fonction de suréchantillonnage sur puce
- Amplificateur de résolution 2 bits
- Indicateur hors portée (ALERTE)
- INL : ±0,85 LSB standard, ±2 LSB maximum
- SNR (standard)
- 90,8 dB pour un gain = 1,0, fIN = 1 kHz
- 97,5 dB avec OSR = ×8 pour un gain = 1,0, fIN = 1 kHz
- Synchronisation de phase entre les canaux : 0,005 ° standard pour fIN = 20 kHz
- Référence intégrée haute précision, dérive standard de 3 ppm/°C
- Erreur de gain standard de 0,01 %
- Dérive de gain standard de 0,8 ppm/°C
- Tampon interne intégré avec génération VCM
- Pilote CAN à différentiel total intégré avec échelonnement du signal :
- Large plage de tension d'entrée en mode commun
- Taux élevé de réjection en mode commun
- Conversion frontal unique vers différentiel
- Plage d’entrée sélectionnable par broche avec dépassement de plage :
- Plages d’entrée de ±2 V, ±3,3 V, ±5,5 V, ±11 V
- G = gain/affaiblissement de 0,3, 0,6, 1 0 et 1,6
- Interface série haut débit
- 8 mm x 8 mm, pas de 0,8 mm, boîtier CSP _ BGA à 81 billes
Applications
- Système de test de batterie de qualité laboratoire
- Détection de courant de commande moteur
- Rétroaction de position de commande moteur
- Sondeur
- Surveillance de la qualité de puissance
- Système d'acquisition de données
- Applications d'amplificateur à fibre dopée à l'erbium (EDFA)
- Démodulation en phase et quadrature
Schéma d’application standard
Schéma fonctionnel
Publié le: 2024-11-05
| Mis à jour le: 2025-03-14
