Analog Devices Inc. Amplificateurs opérationnels de précision Over-The-Top™ ADA4098-1/-2
Les amplis op de précision Over-The-Top™ ADA4098-1/-2 d'Analog Devices Inc. fournissent des entrées qui fonctionnent de −VS à +VS et au-delà, appelées Over-The-Top. L'ADA4098-1/-2 dispose de tensions de décalage <30 μV, de courants de polarisation d'entrée (IB) <700 pA et peut fonctionner sur des alimentations simples ou divisées allant de 3 V à 50 V. De plus, l'ADA4098-1 ne consomme que 165 μA de courant d'alimentation.L'étage d'entrée Over-The-Top ADA4098-1/-2 d'ADI dispose de solides caractéristiques de protection d'entrée pour les environnements agressifs. Les entrées peuvent tolérer jusqu'à 80 V de tension différentielle sans détérioration ni dégradation de la précision CC. La plage d'entrée en mode commun de fonctionnement s'étend du rail au rail et au-delà, jusqu'à 70 V > –VS, indépendamment de l'alimentation +VS.
L'ADA4098-1/-2 est à gain unitaire stable et peut piloter des charges nécessitant jusqu'à 20 mA. Les amplificateurs opérationnels pilotent en outre des charges capacitives pouvant atteindre 200 pF. Le dispositif est disponible avec un arrêt à faible puissance.
L'ADA4098-1 est disponible en boîtier TSOT (transistor à faible encombrement) à 6 fils standard. L'ADA4098-2 est disponible en boîtier à faible encombrement standard (SOIC_N) à 8 fils, en boîtier à mini-faible encombrement (MSOP) à 8 fils et en boîtier LFCSP (puce à cadre plombé) à 10 fils.
Caractéristiques
- Plage d'entrée ultra large en mode commun de −VS −0,1 V à VS +70 V
- Large plage de tension d'alimentation de +3 V à +50 V (à +/-25 V pour PSRR)
- Faible courant d'alimentation de 165 μA (standard)
- Faible tension de décalage d'entrée maximale +/-30 μV
- Faible dérive de tension de décalage en entrée de +/-0,5 μV/°C maximum (classe B)
- Faible bruit de tension en entrée
- Angle de bruit 1/f standard 6 Hz
- 400 nV P-P standard de 0,1 Hz à 10 Hz
- 17 nV/√Hz standard à 100 Hz
- Haute vitesse
- GBP de 1,05 MHz standard pour FTEST = 2,5 kHz
- Vitesse de balayage standard de 0,85 V/μs à ΔVOUT = 25 V
- Arrêt de courant d'alimentation faible de 20 μA maximum
- Courant de décalage d'entrée faible +/-700 pA maximum
- Gain de tension de signal élevé de 126 dB minimum pour ΔVOUT = 4 V
- CMRR : 123 dB minimum à VCM = de −0,1 V à +70 V
- PSRR : 123 dB minimum à VSY = de +3 V à +/-25 V
- Tolérance de suralimentation en entrée sans inversion de phase
- HBM +/-4 kV et FICDM +/-1,25 kV
- Large plage de température de −55 °C à +150 °C (classe H)
Applications
- Conditionnement de capteurs industriels
- Détection de courant d'alimentation
- Surveillance des batteries et des alimentations
- Amplificateurs frontaux dans les environnements agressifs
- Émetteurs 4 mA à 20 mA
Ressources supplémentaires
Protection contre les surtensions dans les frontaux analogiques
Cet article illustre comment les amplificateurs Over-The-Top peuvent fournir une protection contre les surtensions dans les applications industrielles.
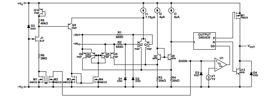
CIRCUIT D'APPLICATION STANDARD
Schéma simplifié
