Analog Devices Inc. CNA 16 bits AD9177 avec canaliseurs large bande
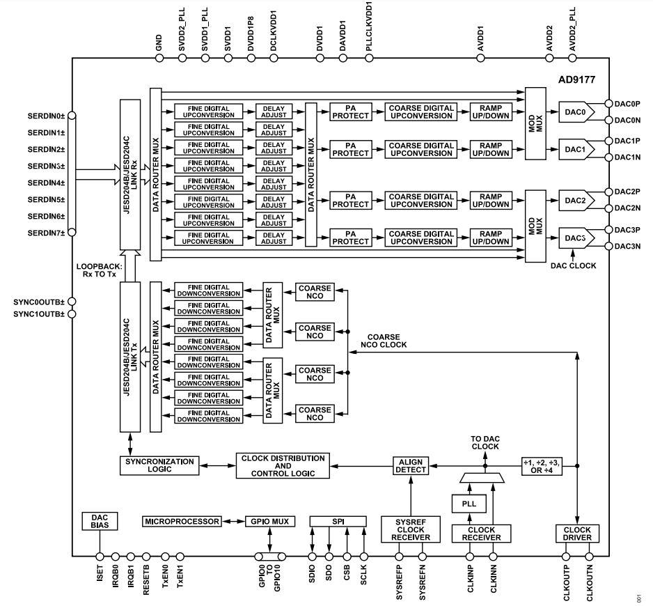
Le CNA 16 bits AD9177 d'Analog Devices Inc. avec canaliseurs large bande fournit une conception de plateforme commune reconfigurable et flexible. L'AD9177 est un composant hautement intégré avec quatre cœurs de convertisseur numérique-analogique (CNA) à fréquence d'échantillonnage maximale de 16 bits et 12 GSPS prenant en charge jusqu'à huit canaux de bande de base. Le composant intègre un récepteur de données (JRx) à 8 voies, JESD204C 24,75 Gbit/s ou JESD204B 15,5 Gbit/s, un multiplicateur d'horloge sur puce et des chemins de données DSP (traitement du signal numérique). Ces chemins de données peuvent être contournés pour permettre une connexion directe entre le port du récepteur de données et les cœurs du CNA. Les chemins de données DSP sont capables de traiter des signaux complexes pour les applications RF directes à large bande ou multibande, les systèmes radar à matrice de phase et les applications de guerre électronique.Le CNA AD9177 peut fonctionner sans port de récepteur de données pour générer plusieurs tonalités sinusoïdales de fréquences variables dans les applications de synthèse numérique directe (DDS). Les caractéristiques auxiliaires incluent un mode de boucle de retour à faible latence, un saut de fréquence rapide, un circuit de protection en aval d'amplificateur de puissance, une unité de surveillance de la température sur puce et de broches GPIO flexibles. Les applications standards incluent les infrastructures de communications sans fil, les micro-ondes point à point, E-band, 5G mm-onde, DOCSIS 3.1 et 4.0 CMTS, les systèmes de communication large bande et les radars à matrice de phase et les guerres électroniques.
Caractéristiques
- Conception de plateforme commune flexible et reconfigurable :
- 4 cœurs de CNA connectés à divers chemins de données DSP et de dérivation
- Prend en charge la bande simple, double et quadruple
- Les chemins de données et les blocs DSP sont totalement contournables
- PLL sur puce avec synchronisation multi-puces
- Option d'entrée RFCLK externe pour PLL hors puce
- Performances CNA CA à 12 GSPS :
- Plage de courant de sortie pleine échelle de 6,43 mA à 37,75 mA
- IMD3 2 tonalités -78,9 dBc (-7 dBFS par tonalité)
- NSD -155,1 dBc/Hz, simple tonalité à 3,7 GHz
- SFDR -70 dBc, simple tonalité à 3,7 GHz
- Caractéristiques numériques polyvalentes :
- Filtres d'interpolation sélectionnables
- Élévateurs de fréquence numérique configurables ou contournables
- 8 élévateurs de fréquence numérique (DUC) complexes fins et 4 DUC complexes grossiers
- NCO 48 bits par DUC
- Possibilité de contourner le DUC fin et grossier
- Délai programmable par chemin de données
- Prise en charge DPD de transmission
- Contrôle de gain de canal DUC fin et réglage du délai
- Taux d'échantillonnage CNA maximal jusqu'à 12 GSPS :
- Débit de données maximal jusqu'à 12 GSPS avec JESD204C
- Bande passante analogique utilisable jusqu'à 8 GHz
- Caractéristiques auxiliaires :
- Synthèse numérique directe et saut de fréquence rapide
- Mode de boucle de retour à faible latence (les sorties NCO de chemin de données de réception peuvent être acheminées vers les chemins de données de transmission)
- Circuit de protection en aval de l'amplificateur de puissance
- Unité de surveillance de la température sur puce
- Broches GPIO flexibles
- Option d'économie d'énergie TDD
- Interface JESD204B/JESD204C SERDES :
- Récepteur JESD204B/C 8 voies (JRx)
- Conformité JESD204B avec le maximum de 15,5 Gbit/s
- Conformité JESD204C avec le maximum de 24,75 Gbit/s
- Prend en charge les données numériques réelles ou complexes (8, 12, 16 ou 24 bits)
- BGA 324 billes 15 mm × 15 mm avec pas de 0,8 mm
Applications
- Infrastructure de communication sans fil
- Micro-ondes point à point, E-Band et onde millimétrique 5G
- Systèmes de communication large bande
- DOCSIS 3.1 et 4.0 CMTS
- Radar à matrice échelonnée et guerre électronique
- Systèmes de test et de mesure électroniques
SCHÉMA DE PRINCIPE FONCTIONNEL
Publié le: 2021-09-03
| Mis à jour le: 2025-02-21
