Analog Devices Inc. Amplificateur d'instrumentation AD8428
L'amplificateur d'instrumentation Analog Devices AD8428 à bruit ultra-faible est conçu pour mesurer précisément des signaux faibles à haute vitesse. Il fournit une précision de gain, un bruit et une bande passante à la pointe de l'industrie. L'ADI AD8428 comprend un gain fixe de 2 000 et est l'un des amplificateurs d'instrumentation les plus rapides du marché. L'architecture du circuit est conçue pour une largeur de bande élevée à fort gain. Le CMRR élevé de l'AD8428 empêche les signaux indésirables de corrompre l'acquisition. Le brochage du composant est conçu pour éviter les décalages de capacité parasites qui peuvent dégrader le CMRR à des fréquences élevées. Ce composant ADI est idéal pour une utilisation dans une interface du capteur, dans l'instrumentation médicale et dans les applications de surveillance des patients.Caractéristiques
- Fixed gain of 2000
- Access to internal nodes provides flexibility
- 1.5nV/√Hz input voltage low noise
- High accuracy dc performance
- 10ppm/°C Gain drift
- 1μV/°C Offset drift
- 0.2% Gain accuracy
- 130dB min CMRR
- Excellent ac specifications
- 3.5MHz Bandwidth
- 40V/μs Slew rate
- ±4V to ±18V Power supply range
- 8-pin SOIC package
- ESD protection >5000V (HBM)
- −40°C to +85°C Temperature range for specified performance
- Operational up to 125°C
Applications
- Sensor interface
- Medical instrumentation
- Patient monitoring
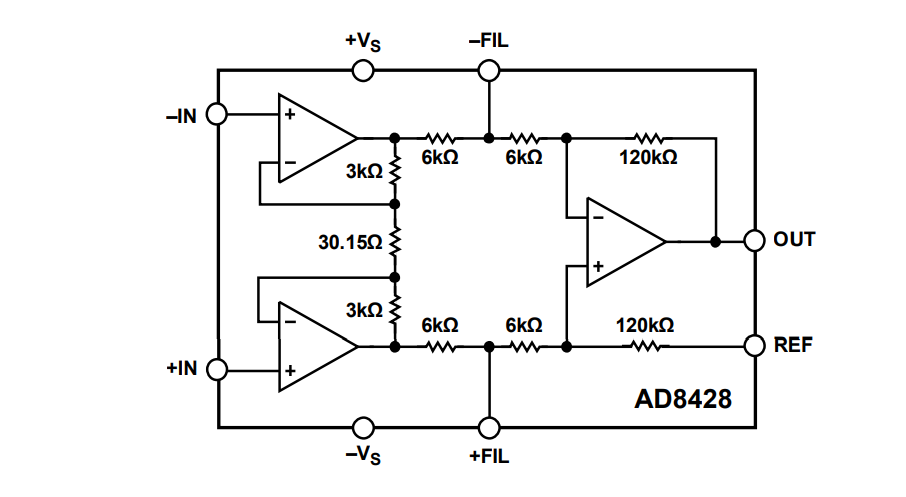
Block Diagram
Publié le: 2013-04-25
| Mis à jour le: 2022-03-11
