Analog Devices Inc. Carte d'évaluation AD8412ARM-EVALZ
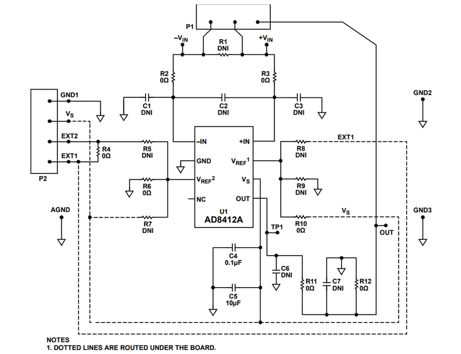
La carte d’évaluation AD8412ARM-EVALZ d'Analog Devices est basée sur l'amplificateur AD8412A et a été créé pour faciliter la configuration de différents modes d'exploitation et pour permettre la flexibilité avec les charges. Une résistance shunt (R1), avec une taille standard de 2818 max, peut être soudée à la carte. Les amplificateurs de détection de courant AD8412A offrent un gain initial de 10 V/V, avec une largeur de bande de 1,8 MHz et une erreur de gain maximale de ± 0,11 % sur toute la plage de température.La carte ADI AD8412ARM-EVALZ prend en charge l’AD8412A dans un boîtier de petite taille (MSOP).
Caractéristiques
- Permet un expérimentation et un prototypage rapides
- Facilement configurable pour un fonctionnement unidirectionnel ou bidirectionnel
- Comprend une disposition pour la résistance shunt de détection de courant
- Connexion facile à l'équipement de test
- Comprend des dispositions pour un filtre d'entrée et un filtre de sortie
- Ligne d'alimentation découplée
Applications
- Détection de courant en phase ou côté haut dans :
- Contrôle de moteur dans les moteurs BLDC, les moteurs à faible inductance
- Convertisseurs CC-CC 48 V vers 12 V
- Commandes de solénoïdes
- Surveillance du rail d'alimentation
- Détection de courant côté bas
Topologie
Connexions aux borniers
Schéma
Publié le: 2025-03-14
| Mis à jour le: 2025-03-18
