Analog Devices Inc. Cartes d'évaluation AD8411ARx
Les cartes d’évaluation AD8411ARx Analog Devices sont utilisées pour évaluer les capacités de l’amplificateur à détection de courant AD8411A. Les AD8411AR-EVALZ et AD8411ARM-EVALZ d’Analog Devices ont une conception conviviale et permettent une configuration sans effort dans divers modes de fonctionnement. Les cartes s’adaptent à une multitude d’exigences de charge et offrent une flexibilité inégalée en intégrant une résistance shunt (1 R) de taille standard jusqu’à 2818. L'AD8411AR-EVALZ accepte l'AD8411A dans un circuit intégré à faible encombrement (SOIC) tandis que l'AD8411ARM-EVALZ accepte l'AD8411A dans un mini boîtier à faible encombrement (MSOP).Caractéristiques
- Permet un montage expérimental et un prototypage rapides
- Facilement configurable pour une exploitation unidirectionnelle ou bidirectionnelle
- Comprend une disposition pour la résistance shunt de détection de courant
- Connexion facile à l'équipement de test
- Comprend des dispositions pour un filtre d'entrée et un filtre de sortie
- Ligne d'alimentation découplée
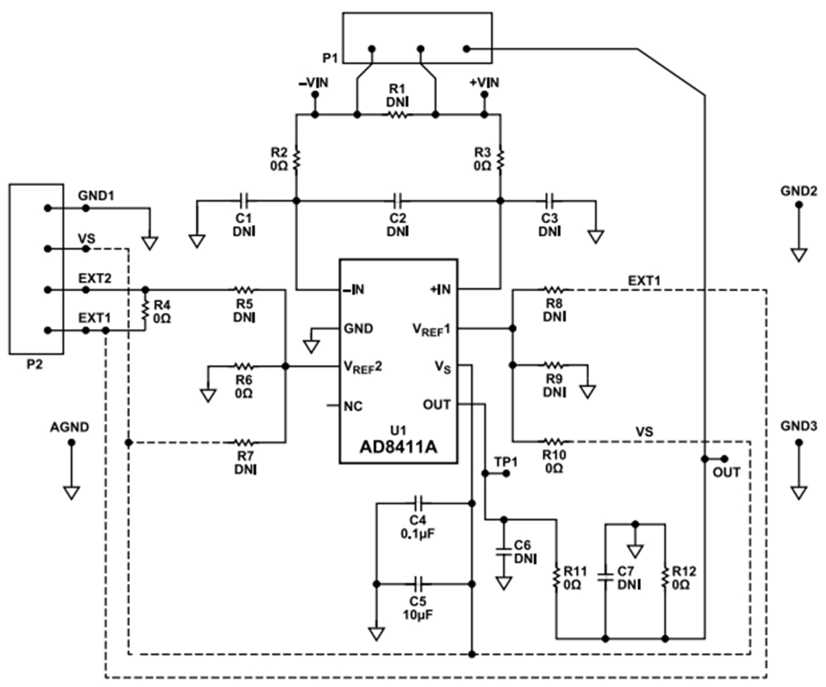
SCHEMA
Présentation
Publié le: 2023-06-28
| Mis à jour le: 2023-08-25
