Amphenol Socapex Connecteurs & ensembles robustes μCOM USBC 3.2 Gen 2
Les connecteurs et faisceaux de câbles robustes USBC 3.2 Gen 2 μCOM d'Amphenol Socapex offrent une solution miniaturisée et renforcée pour les connecteurs standard USB Type-C®. Ces solutions pour environnements difficiles ont un diamètre extérieur maximal de 15 mm et offrent un raccordement push-pull ou fileté. L’Amphenol Socapex μCOM USBC 3.2 renforce et protège les dispositifs contre les liquides, la poussière, les chocs et la déconnexion due à la vibration. Ces faisceaux de câbles réalisent également la réversibilité pour la transmission de données et d’énergie pour les connecteurs femelles. Cette série offre aux utilisateurs la flexibilité de l'USB-C pour concevoir de nombreuses configurations différentes de données, d'alimentation et de vidéo en bénéficiant du savoir-faire d'Amphenol Socapex en matière de solutions de connecteurs robustes.Caractéristiques
- Diamètre maximum de 15 mm avec performance garantie de
- Jusqu'à 1 m - compatible avec les vitesses de données USB3.2 Gen2
- 1 m à 2 m - compatible avec les vitesses de données USB 3.2 Gen1
- Résistant aux chocs, aux vibrations et à la traction
- Étanchéité IP68 non accouplé et accouplé (1 m par heure)
- Prend en charge le mode Alt DP1.4 pour la transmission vidéo
- Coques en laiton usiné avec placage de zinc nickel noir conforme à la norme ROHS (500 heures de pulvérisation de sel)
- Cycles d’accouplement de la fiche/du connecteur femelle
- 2000 cycles (version push-pull)
- 500 cycles (version filetée)
Applications
- C6ISR
- Acquisition de données et transmission dans des environnements difficiles
- Communications navales/de défense et véhicules terrestres
- Informatique et afficheurs robustes
- Wearables
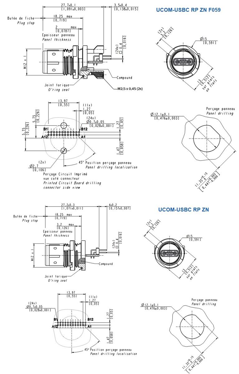
Dimensions UCOM-USBC RP ZN
Dimensions UCOM-USBC PP ZN & PT ZN
Dimensions UCOM-USBC PP RA ZN & PT RA ZN
Publié le: 2026-02-13
| Mis à jour le: 2026-03-11
