Amphenol / SV Microwave Connecteurs RF traversants pour montage inversé sur PCB
Les connecteurs RF traversants pour montage inversé sur PCB d'Amphenol / SV Microwave offrent une intégrité de signal supérieure en éliminant les transitions de voie, ce qui rend les connecteurs idéaux pour les conceptions haute fréquence. Ces connecteurs RF à montage inversé réduisent également les parasites, simplifient le routage et réduisent l'empilement de PCB, améliorant ainsi l'intégration mécanique pour les systèmes RF modernes. Les connecteurs RF traversants pour montage inversé sur PCB d'Amphenol / SV Microwave sont disponibles dans les séries SMP et SMPM et sont conçus pour fonctionner jusqu'à 40 GHz.Caractéristiques
- Le chemin de signal direct réduit l'affaiblissement d'insertion et les réflexions
- Intégration mécanique gain de place et à profil mince
- Élimine le câble du dessus du PCB
- Transitions d'impédance propres et prévisibles
- Fréquence pouvant atteindre 26,5 GHz (SMP) ou 40 GHz (SMPM)
- Impédance de 50 Ω
Applications
- Communications RADAR et par satellite
- Modules compacts
- Systèmes d'ondes millimétriques (mmWave)
- 5 G
Fiches techniques
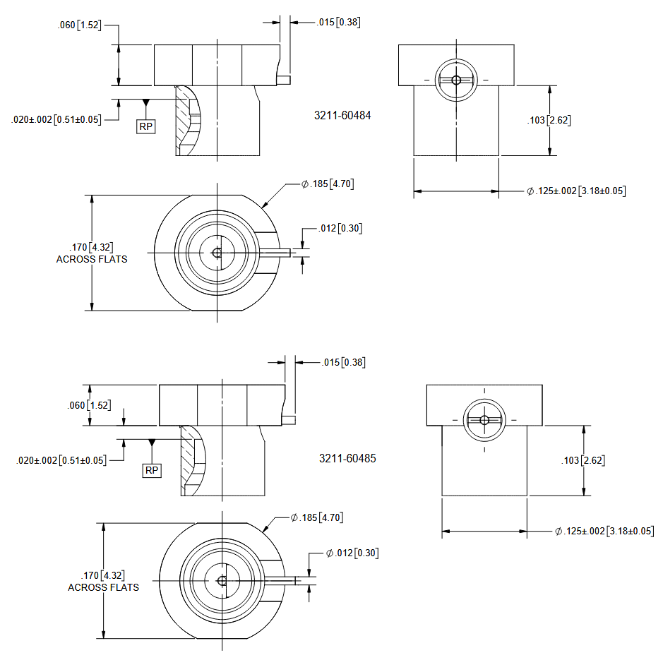
Schémas des produits SMP
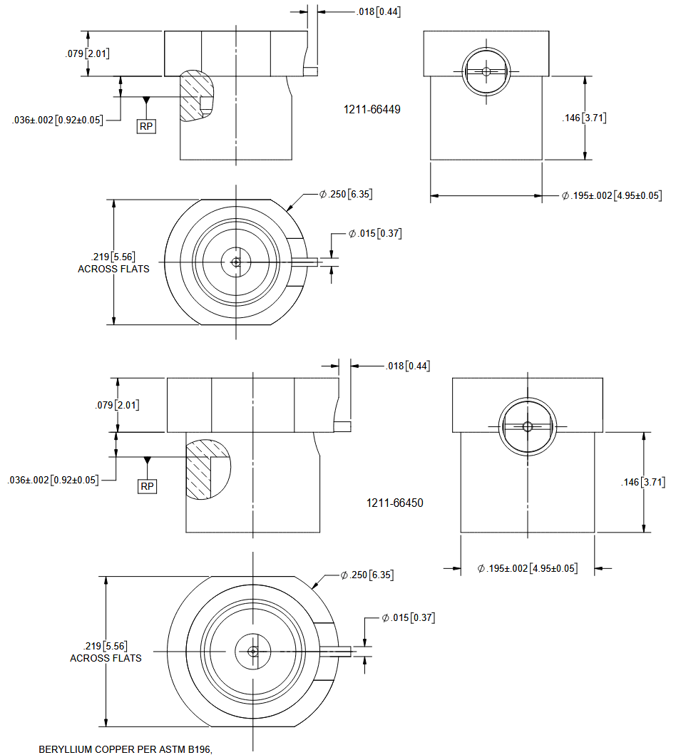
Schémas des produits SMPM
Publié le: 2025-10-14
| Mis à jour le: 2025-10-23
