Amphenol Aerospace Commutateurs Ethernet robustes
Les commutateurs Ethernet robustes d’Amphenol Aerospace prennent en charge l’Ethernet cuivre et l’Ethernet fibre optique 10/100/1000BASE-T, y compris le 1GBASE-EX ou le 1GBASE-LX monomode et le 1GBASE-SX multimode. Ces commutateurs sont idéaux pour acheminer plusieurs connexions gigabit Ethernet dans les systèmes. Les commutateurs Ethernet sont entièrement personnalisables avec placage, détrompage, montage mécanique, horloge, modes de fibre et combinaisons de ports cuivre et fibre. Ces commutateurs fonctionnent sur une plage de température de -40 °C à 70 °C et sont disponibles en options à 4, 6 et 8 ports.Caractéristiques
- Les spécifications IEEE ou meilleures prennent en charge les protocoles suivants :
- 10/100/1000BASE-T
- 100BASE-FX
- 1GBASE-FX
- 1GBASE-EX et -ZX
- 1GBASE-LX et -LX10
- 1GBASE-SX et -SX4
- Idéal pour acheminer plusieurs connexions gigabit Ethernet dans les systèmes
- Pas besoin de faisceaux de fibre optique de sous-système, d’interconnexions ou d’émetteurs-récepteurs internes
- Utilise les émetteurs-récepteurs en cuivre et l’interconnexion existante (fond de panier, faisceau, plaque frontale) pour la connexion de fibre du système
- La conversion de support au connecteur réduit la complexité et le coût du système
- Robustesse complète pour les chocs et vibrations MIL-STD-810
- Tous les avantages du connecteur circulaire MIL-DTL-38999 dans un convertisseur multimédia
- Plage de température de fonctionnement de -40 °C à 70 °C
Vidéos
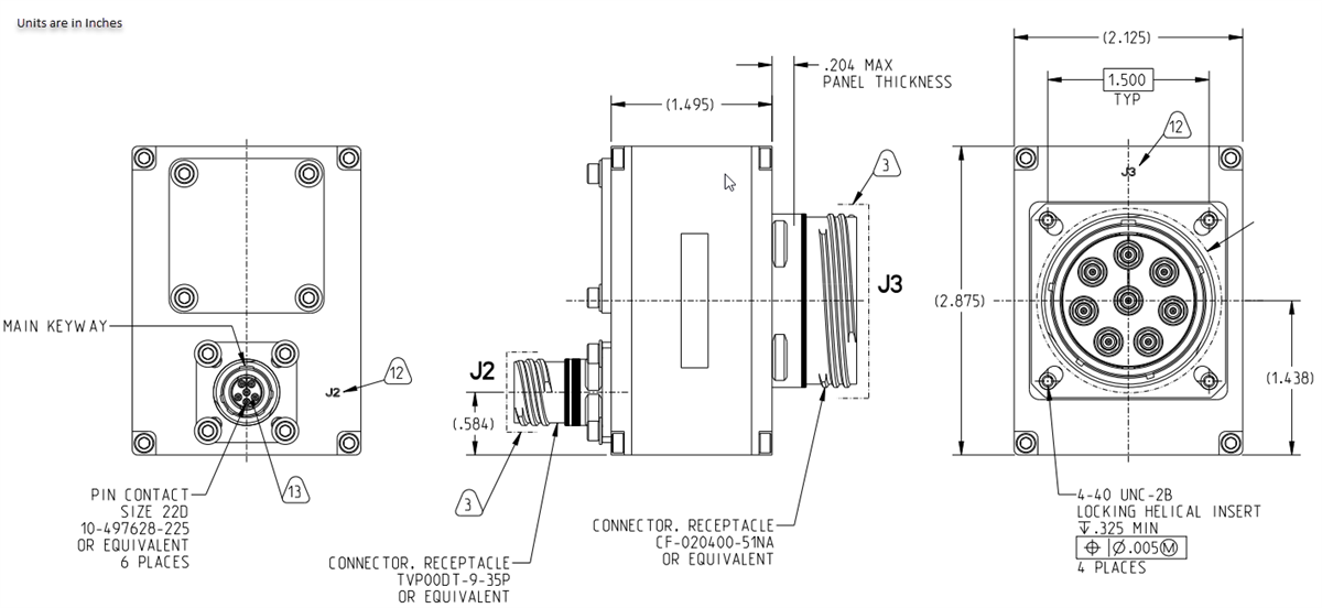
Schémas mécaniques CF_020400_51X_A et CF_020400_57X_A
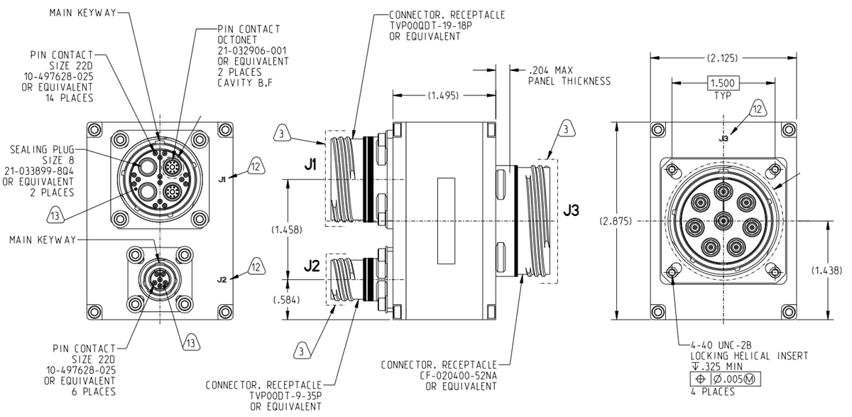
Schéma mécanique CF_020400_52X_A
Schéma mécanique CF_020400_56X_A
Ressources supplémentaires
Publié le: 2023-09-11
| Mis à jour le: 2025-01-14
