Amphenol Piher PSCR-360 High-Precision Rotary Sensors
Amphenol Piher PSCR-360 High-Precision Rotary Sensors are designed to deliver highly accurate and reliable position feedback in a compact 28mm diameter housing. These sensors use the contactless measurement principle to ensure long operational life even in harsh conditions. The PSCR-360 sensors feature up to 50,000,000 cycles rotational life, 12-bit resolution, plain bearing type, 360° mechanical range (endless rotation), and ±0.3% independent linearity. These sensors can resist shock, vibration, and a wide temperature range. The PSCR-360 sensors are used in industrial automation, off-highway vehicles, medical equipment, and wind turbine blade pitch applications.Features
- Contactless operation
- 360° absolute position feedback
- Rugged IP65 package to protect sensors from dust, moisture, and extreme temperature
- Integrated shaft
- 50,000,000 cycles rotational life
- 12-bit resolution
- Plain bearing type
- ±0.3% independent linearity
- 2.5Nm maximum mounting torque
- Self-diagnostic functions
- Configurable 15° to 360° electrical angular range
Applications
- Transportation, agriculture, and construction:
- Hitch position
- Throttle and brake pedal position
- Fork height and mast tilt
- Crane jib and boom angle
- Suspension and chassis height detection
- Position sensing for boom arms, loaders, and other articulated mechanisms
- Angle detection in control levers for tractors, harvesters, and construction equipment
- Steering angle measurement in passenger cars and commercial vehicles
- Industrial requirements:
- Robotics and automation feedback
- Valve and actuator position monitoring
- Conveyor operation
- Wind turbines blade pitch and yaw
- Medical equipment
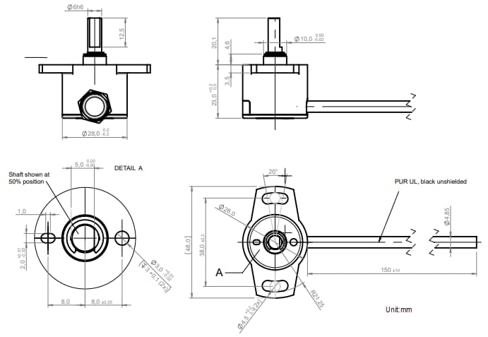
Mechanical Diagram
Publié le: 2025-02-13
| Mis à jour le: 2025-02-25
