Amphenol Aerospace Module émetteur-récepteur optoélectronique MIL circulaire
Le module émetteur-récepteur optoélectronique MIL circulaire d'Amphenol Aerospace dispose d’une plage de tension de 3,1 V à 3,6 V et d’une plage de température de fonctionnement de -55 °C à 85 °C. Cet ensemble de modules contient des composants sensibles à la décharge électrostatique (ESD). Le module émetteur-récepteur est intégré avec une bande d’indication entièrement couplée (couleur rouge). Le boîtier du connecteur est plaqué en alliage aluminium CAO OD. Ce module émetteur-récepteur fonctionne à un courant maximal de 0,227 A et une puissance maximale de 0,75 W. La gamme en fibre dispose d’un signal de 850 nm compatible avec la fibre multimode à indice classé 62,5/125.Caractéristiques
- Plage de tension de 3,1 V à 3,6 V
- Signal 850 nm compatible avec la fibre multimode à indice calibré 62,5/125
- Plage de température de fonctionnement de -55 °C à 85 °C
- Courant maximal de 0,227 A
- Puissance maximale de 0,75 W
- Bande d’indication entièrement accouplée (couleur rouge)
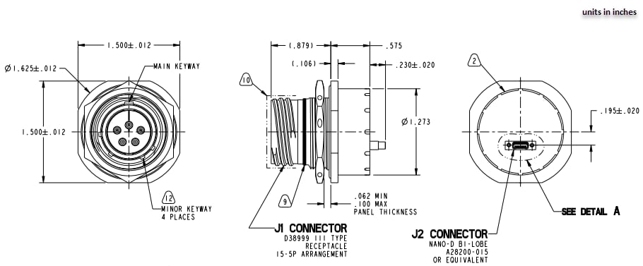
Schéma mécanique
Ressource supplémentaire
Publié le: 2023-09-11
| Mis à jour le: 2023-09-15
