Amphenol Aerospace Connecteurs PCB à insertion par pression Centaur
Les connecteurs PCB à installation par pression Centaur d'Amphenol Aerospace disposent de queues d’insertion par pression en œil conformes et prennent en charge des débits de données jusqu’à 10 Gbit/s. Ces connecteurs sont disponibles en 32 à 40 paires différentes et cette configuration est directement connectée à la carte pour un système intégré 38999 robuste. Les connecteurs PCB à installation par pression Centaur sont entièrement testés électriquement et offrent un alliage de cuivre comme matériau de contact. Ces connecteurs offrent de l’aluminium et de l’acier inoxydable avec des options de placage standard. Les connecteurs PCB à insertion par pression Centaur offrent 500 cycles d'insertion-extraction, un alliage d'or sélectif et un placage des contacts en étain pur sur 50 u de nickel Ces connecteurs fonctionnent dans une plage de température de -40°C à 85°C et une impédance de 100Ω.Caractéristiques
- Queues d’insertion par pression à œil conformes
- Compatible avec les options d’embase standard ExaMAX à angle droit ou verticale
- Aluminium léger résistant MIL-DTL-38999 série III, taille 23 et 25
- Détrompeur : « N » (standard) « A », « B », « C », « D », « E »
- Chocs et vibrations VITA 47
- Entièrement testé électriquement
- Matériau de contact en alliage de cuivre
- Matériau de l’enveloppe en aluminium et acier inoxydable avec options de placage standard
- Alliage or sélectif et étain pur sur revêtement de contact NI 50u
Caractéristiques techniques
- Impédance 100 Ω
- Prend en charge des débits de données jusqu’à 10 Gbit/s PAM4
- 500 cycles de couplage
- Plage de températures de fonctionnement : de -40 °C à +85 °C
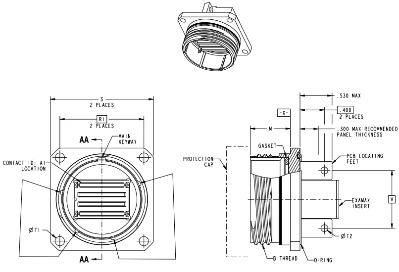
Schéma mécanique
Schéma mécanique
Ressources supplémentaires
Publié le: 2024-04-18
| Mis à jour le: 2025-12-15
