Alps Alpine EC21A Ring-Type Encoders
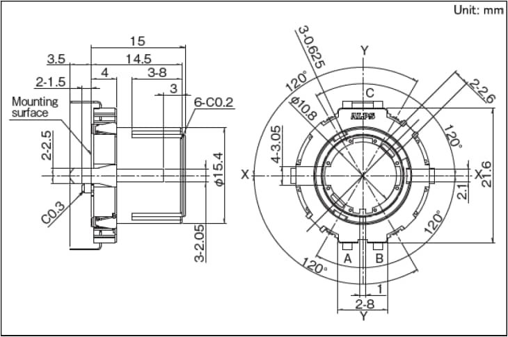
Alps Alpine EC21A Ring-Type Encoders feature a 10mA, 5VDC electrical rating and a two-phase A and B output signal. These encoders offer 100MΩ 250VDC insulation resistance with an available 9/18 or 15/30 pulse/detent count. Alps Alpine EC21A Encoders measure 21.6mm x 21.6mm x 4mm while the actuators measure 15mm in length. Alps Alpine EC21A Ring-Type Encoders withstand 50,000 life cycles and can operate in temperatures ranging from -40°C to +85°C.Features
- 15mm actuator length
- 9/18 or 15/30 pulse/detent count
- -40°C to +85°C operating temperature range
- 10mA, 5VDC electrical performance
- Two-phase A and B
- 50,000 life cycles
- 12±5mN⋅m detent torque
- 300VAC for 1 minute or 360VAC for 2s
Dimensions
Publié le: 2018-03-27
| Mis à jour le: 2022-07-18
